特性
- 八电池电压监视器支持锂离子CoO2、锂离子Mn2O4和锂离子FePO4化学品
- 无需微控制器,可实现独立的电池组控制
- 多种电压保护选项(每个可编程为4.8V;12位数字值)
- 可选的过流保护电平
- 过压、欠压、过流和短路条件下的可编程检测/恢复时间
- 开路电池连接检测
- 集成充电/放电FET驱动电路(内置电荷泵)支持高侧N通道FET
- 将外部FET与内部状态机或外部微控制器相结合,实现电池平衡
- 在EEPROM中保持的配置/校准寄存器
- 闲置后进入低功耗状态
- 充电或放电电流检测恢复正常扫描速率
应用
- 电动工具
- 备用电池系统
- 轻型电动车
- 便携式设备
- 储能系统
- 太阳能发电场
- 医疗设备
- 医院用床
- 监控设备
- 呼吸机
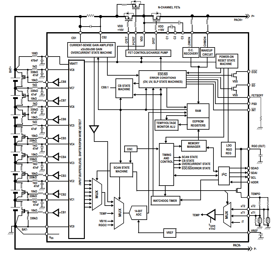
框图
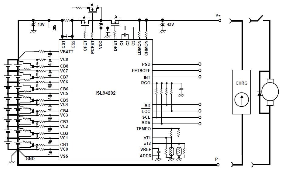
应用电路图
发布日期: 2019-03-08
| 更新日期: 2023-10-10

