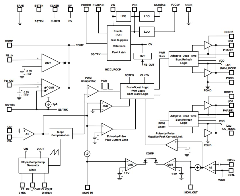
特性
- 单电感器四开关降压升压控制器
- 实时双向操作,可在两端独立控制电压和电流
- 用于平滑模式转换的专有算法
- 带自适应击穿保护的MOSFET驱动器
- ISL81401、ISL81401A:宽输入电压范围:4.5V至40V
- ISL81401、ISL81401A:宽输出电压范围:0.8V至40V
- ISL81601:宽输入电压范围:4.5V至60V
ISL81601:宽输出电压范围:0.8V至60V - 支持预偏置输出,带SR软启动
- 可编程频率:100kHz至600kHz
- 支持级联相位交错的并行操作电流共享
- 外部同步时钟输出或频率抖动
- ISL81401、ISL81401A:用于实现更高效率的外部偏置支持5V至36V输入
- ISL81601:用于实现更高效率的外部偏置支持8V至36V输入
- 输出和输入电流监控器
- PWM/DE/Burst模式之间可选择的PWM模式操作
- 精确的EN/UVLO和PGOOD指示器
- 低关断电流:2.7µA
- 全面保护:OCP、SCP、OVP、OTP和UVP
- 双电平OCP保护,具有平均电流和逐脉冲峰值电流限制
- 可选择的OCP响应,具有断续或恒定电流模式
- 负逐脉冲峰值电流限制
应用
- 备用电池
- UPS/存储系统
- 电池供电工业应用
- 可再生能源
- 汽车售后市场
- 冗余电源
- 机器人和无人机
- 医疗设备
- 楼宇和工业自动化
- 安全监控
发布日期: 2018-10-08
| 更新日期: 2023-02-09

