特性
- 双1:6低偏斜和低附加抖动LVDS扇出缓冲器
- 两个通道的交流特性匹配
- 通道之间高度隔离
- 低功耗
- 差分CLKA、nCLKA和CLKB、nCLKB输入均接受LVDS、LVPECL和单端LVCMOS电平
规范
- 最大输入时钟频率:2GHz
- 350mV和500mV输出振幅和禁用(可选)
- 典型输出组偏移:10ps
- 典型输出偏移:212ps
- 45fs典型值(fREF = 156.25MHz,12kHz至20MHz)低附加相位抖动,RMS
- 电源电压范围:1.8V和2.5V
- 器件电流消耗(IDD):
- 210mA典型值:1.8V
- 230mA典型值:2.5V
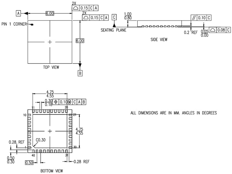
- 40-VFQFPN、6mmx6mmx0.9mm无铅(RoHS 6)封装
- 环境工作温度范围:-40°C至85°C
- 外壳温度支持高达105°C
应用
- 4.5G和5G RU及DU
- 交换机/路由器
- 医学成像
- 专业音频和视频
框图
尺寸图
发布日期: 2023-04-25
| 更新日期: 2023-07-06

