特性
- 频率范围:2.3GHz至5.0GHz
- 增益:36.5dB(典型值,3.6GHz时)
- NF:3.8dB(典型值,3.6GHz时)
- OP1dB:27dBm(典型值,3.6GHz时)
- - 41dBc ACLR,LTE-TDD 20MHz信号(POUT =15dBm平均值),8dB PAR(0.01%概率,3.6GHz时)
- 单端输入和输出阻抗:50Ω
- 5V电源
- 静态电流消耗:110mA(典型值)
- 1.8V逻辑兼容待机模式,可节能
- 工作温度 (TEPAD) 范围:-40°C至+115°C
- 3mm2 16-VFQFPN封装
应用
- 5G sub-6GHz大规模MIMO
- 无线集成设施基站
- FDD或TDD系统
- 公共安全基础设施
- 军用手持设备
- 中继器和分布式天线系统 (DAS)
- 通用射频
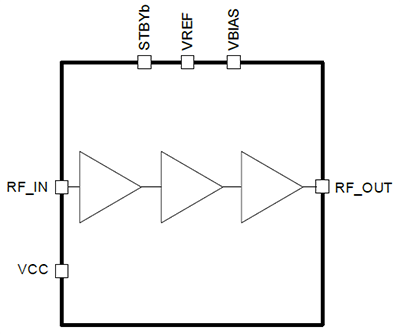
框图
发布日期: 2023-02-17
| 更新日期: 2023-08-31

