Renesas Electronics ISL6144高压ORing MOSFET控制器
Renesas Electronics ISL6144高压ORing MOSFET控制器和N沟道功率MOSFET提高了配电效率和可用性。在大电流应用中更换电源ORing二极管时就会发生这种情况。这些控制器的工作电源电压范围为9V至75V。ISL6144具有高速 (HS) 比较器的控制器可为电源上的死区短路提供<0.3µs极快响应时间。这些MOSFET控制器采用QFN封装,符合RoHS指令。应用包括文件和网络服务器(12V和48V)、电信/数据通信系统、N + 1冗余分布式电源系统以及配电系统中的ORing MOSFET控制。特性
- 宽电源电压范围:9V至75V
- 瞬态额定电压:100V
- 反向电流故障隔离
- 内部电荷泵允许使用N沟道MOSFET
- HS比较器可为电源上的死区短路提供<0.3µs的极快响应时间
- HS比较器还具有电阻可调跳闸电平
- HR放大器可实现安静、<100µs MOSFET关断,用于电源慢速关断
- 开漏、低电平有效故障输出,具有120µs延迟
- 采用符合UL60950 (UL1950) 爬电要求的封装
- QFN封装:
- 符合JEDEC PUB95 MO-220标准
- QFN - 四方扁平无引线封装外形
- 近芯片级封装尺寸,可提高PCB效率,具有更薄外形尺寸
- 无铅(符合RoHS指令)
应用
- 配电系统中的ORing MOSFET控制
- N + 1冗余分布式电源系统
- 文件和网络服务器(12V和48V)
- 电信/数据通信系统
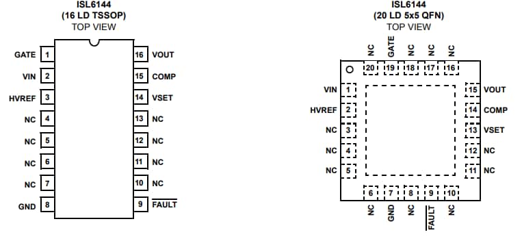
引脚分配图
框图
发布日期: 2020-10-15
| 更新日期: 2022-03-11
