特性
- VIN 工作电压范围为4.0V至42V,启动电压范围为4.5V至42V
- 2.2MHz固定开关频率,带可选伪随机扩频
- 三个同步降压稳压器(带内部补偿)和一个LDO
- 降压转换器1输出范围:3.3V至5.05V
- 降压转换器2输出范围:1.0V至3.3V
- 降压转换器3输出范围:1.0V至3.3V
- LDO4输出范围:2.8V至3.4V
- 输出UV/OV阈值,OTP为±4%、±6%、±8%、±12%
- OTP上电/断电序列和延迟
- 在降压转换器2、降压转换器3和 LDO4上可选输出放电
- 关断时VIN 输入电流:< lt; 1μA(典型值)
- 保护特性
- 输入电压UVLO
- 输出OV/UV
- 降压转换器的正负电流限制
- 内部和输出LDO上的过流保护
- 故障安全控制器
- OTP寄存器CRC
- OTP断续或闭锁故障响应
应用
- 汽车后视和环视高清摄像头
- 驾驶员监控摄像头
- 仪表板高清摄像头
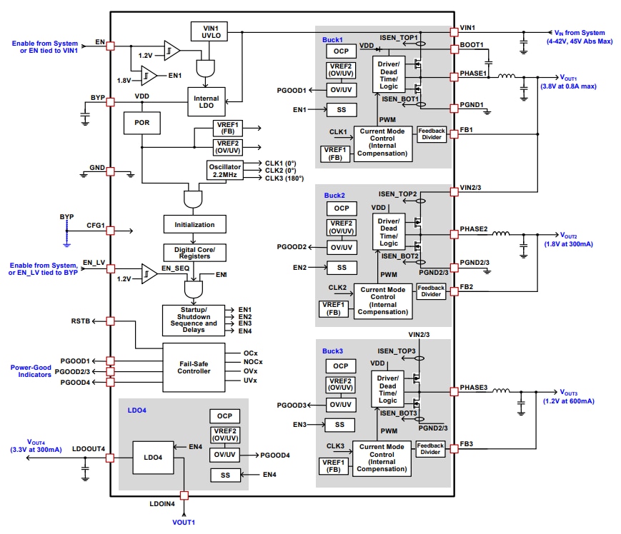
框图
ISL78083汽车用PMIC
发布日期: 2020-01-14
| 更新日期: 2024-04-15

