冷启动模式下的通道2升压具有可调输出,在冷启动周期内2.1V<VBAT<8V时激活。通道2的输出电压为通道1降压供电。既可配置为3.3V或5V固定电压,直接连接FB1至VOUT1,也可使用VOUT1至FB1至接地电阻分压器在0.8V至5V范围内调节。
ISL78263启动时的最小输入电压仅为5.65V。通道2升压的输入范围为2.1V至42V,通道1降压的输入范围为3.5V至42V。
ISL78263降压在节能模式 (ECM) 下工作,通过将静态电流消耗降至6µA(无外部负载时典型值)来提供低IQ模式。开关频率可在0.2MHz至2.2MHz范围内编程设定,并可通过SYNC引脚同步到外部时钟。可选扩频操作可降低EMI和噪声水平。
Renesas Electronics ISL78263冷启动升压和降压控制器符合AEC-Q100 1级标准,额定环境工作温度范围为-40°C至125°C。该器件采用5mm x 5mm可湿性侧翼四方扁平无引线 (WFQFN) 封装。ISL78263的特性使其成为必须保持不间断运行并支持严重冷启动瞬变的汽车系统的前端稳压器。
特性
- 工作电压范围VIN:2.1V至42.0V
- 低静态电流:6µA(典型值,降压通道)
- 开关频率:200kHz至2.2MHz
- 升压频率为降压频率的1倍或0.2倍
- 压差模式(降压),用于高占空比运行
- 25ns导通时间,用于低占空比运行
- 外部同步
- 可编程扩频时钟
- 2A拉电流/3A灌电流MOSFET驱动器
- 启动UV和可编程启动刷新时间
- OV/UV/OC/OT的各种保护机制
- 工作温度范围:-40°C至125°C
- 5mm x 5mm WFQFN32封装
- 符合AEC-Q100 1级标准
- 符合RoHS指令
应用
- 汽车电池供电应用
- 启停保护系统,例如音响主机、仪表盘和电动后视镜
- 舱内系统
- 高级辅助驾驶系统 (ADAS)
配置选项
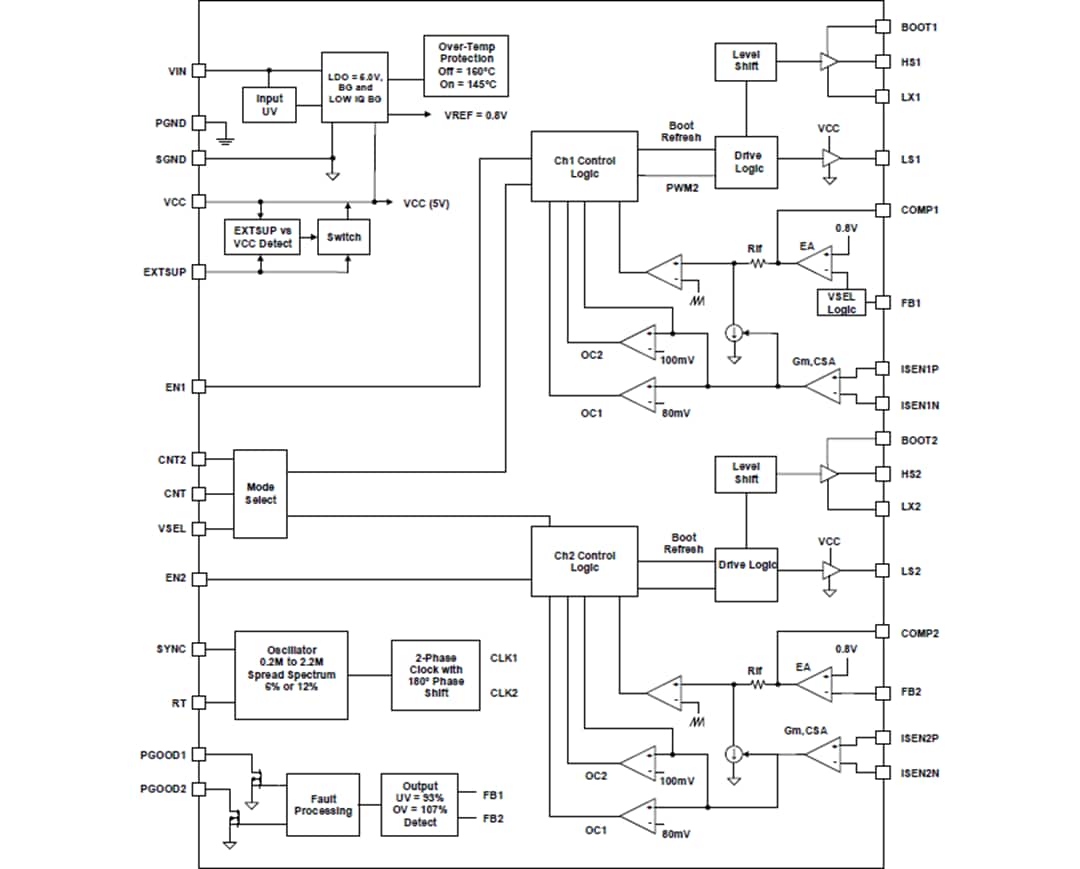
框图
典型应用电路
IVI系统应用电路
封装外形
发布日期: 2020-08-03
| 更新日期: 2022-03-11

