Renesas Electronics ISL78424EVAL3Z评估板
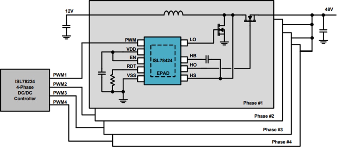
Renesas Electronics ISL78424EVAL3Z评估板设计用于为评估ISL78424 100V 3A拉电流、4A半桥驱动器提供快速而全面的方法,该驱动器用于驱动半桥配置中两个NMOS FET的栅极。该评估板上包含两个N通道MOSFET,用于评估半桥驱动负载,如直流电机或同步开关稳压器。
特性
- 3A拉电流和4A灌电流NMOS栅极驱动器
- 内部电平转换器和自举开关,用于高侧FET的栅极驱动器
- 高达70V的高侧栅极驱动参考
- 环境温度范围:-40°C至+140°C
- 8V至18V偏置电源操作
- 用于高侧和低侧栅极驱动器的单个PWM输入,具有用于关闭两个驱动器的三电平
- 单电阻可调死区时间为35ns至400ns
适用产品
汽车级NMOS FET驱动器,具有单个三电平PWM输入和独立的源极/漏极引脚。
相关产品
用于ISL78434 100V 3A拉电流、4A半桥驱动器的评估和演示平台。
用于ISL78444 100V 3A拉电流、4A半桥驱动器的评估和演示平台。
发布日期: 2018-12-14
| 更新日期: 2023-02-13