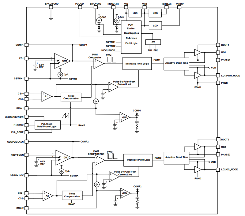
Renesas ISL81805为两个输出采用相位交错的峰值电流模式控制。每个输出均设有电流监控器、稳压器和平均电流调节器,用来提供独立的平均电压和电流控制。内部锁相环 (PLL) 振荡器确保100kHz至1MHz的精确频率设置,该振荡器可同步到外部时钟信号,用于频率同步和相位交错并联应用。该PLL电路可输出相移可编程时钟信号,该信号可扩展为三相、四相和六相,并具有所需的交错相移。
特性
- 宽输入电压范围:4.5V至80V
- 5V至80V宽输出电压范围
- 4个具有自适应击穿保护的MOSFET驱动器
- 恒定输出电压和输出电流反馈环路控制
- 轻负载效率增强、低纹波二极管仿真和突发模式运行
- 可编程软启动
- 支持启动至预偏置轨
- 可编程频率范围:100kHz至1MHz
- 外部时钟同步
- 支持级联相位交错的电流共享
- 由PLL或频率抖动精确控制相位角的时钟输出
- PGOOD指示器
- 输入电流监控器
- 模式在PWM/DE/Burst之间可选
- 精确的EN/UVLO阈值:±2%
- 低关断电流:5µA
- OCP(逐脉冲和可选打嗝或恒流模式)、OVP、OTP和UVP
应用
- 电信
- 服务器和数据中心
- 汽车电子设备
- 工业设备
- 电源系统
典型应用
方框图
其他资源
发布日期: 2023-12-12
| 更新日期: 2023-12-21

