The Renesas Electronics ISL85009 Synchronous Buck Regulator is housed in a compact 3.5mm x 3.5mm TQFN-15 package ideal for space-constrained applications.
特性
- 电源输入电压变化范围为3.8V至18V
- PWM输出电压可调节,0.6V起,最大输出负载为9A
- 预偏置启动和固定3ms软启动
- 300kHz、600kHz可选择fSW,外部同步频率可达1MHz
- 峰值电流模式控制
- DCM/CCM
- 热补偿限流
- 内部/外部补偿
- 紧凑型尺寸3.5mm x 3.5mm和15Ld TQFN
应用
- 服务器和云基础设施负载点 (POL)
- 基础设施保护中心 (IPC)、工厂自动化和PLC
- 电信和网络系统
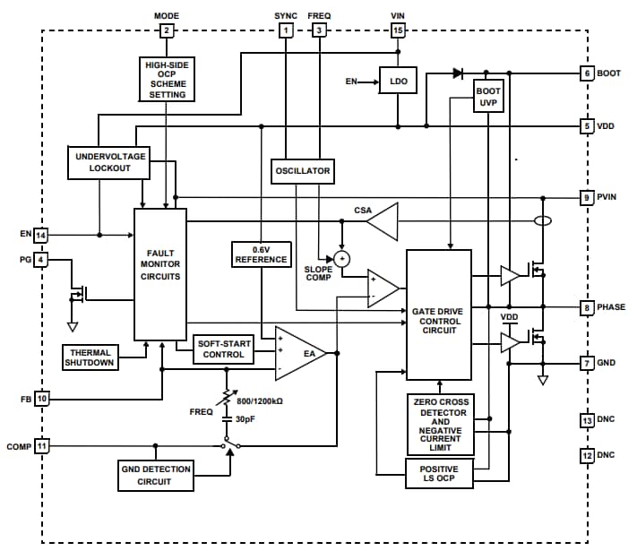
ISL85009框图
典型应用原理图
发布日期: 2017-06-28
| 更新日期: 2022-06-29

