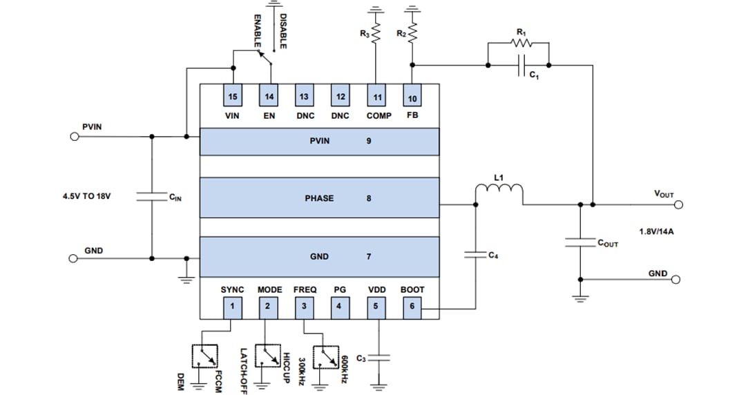
The Renesas Electronics ISL85014EVAL1Z Evaluation Board features a pre-mounted ISL85014 in a space-saving 3.5mm x 3.5mm TQFN-15 package. The Evaluation Board provides an example application circuit, allowing rapid prototyping when incorporated into existing designs.
特性
- Switch selectable EN (enabled/disabled)
- Frequency synchronization option
- Jumper selectable mode (DEM/Forced CCM)
- Jumper selectable OCP mode (Hiccup/Latch-off)
- Jumper selectable frequency (600kHz/300kHz)
- Connectors and test points for easy probing
- Compact design
Block Diagram
Board Layout
发布日期: 2017-06-19
| 更新日期: 2022-06-30

