ISL85033中的PWM控制器可驱动内部开关N沟道功率MOSFET。这需要外部肖特基二极管来产生输出电压。经过优化的电源开关提供高达3A输出电流的热性能。Renesas Electronics ISL85033采用峰值电流模式控制,从而灵活选择元件并最大限度地缩小解决方案尺寸。保护特性包括过流、UVLO和热过载保护。
ISL85033采用小型4mm x 4mm薄型四方扁平无引线 (TQFN) 无铅封装。
特性
- 宽输入电压范围:4.5V至28V
- 可调输出电压,连续输出电流高达3A
- 电流模式控制
- 可调开关频率:300kHz至2MHz
- 独立电源良好检测
- 可选的同相或异相PWM工作
- 输出之间的独立、顺序、比例或绝对跟踪
- 内部软启动时间:2ms
- 过流/短路保护、热过载保护、UVLO
- 启动欠压检测
- 无铅(符合RoHS指令)
应用
- 通用负载点直流/直流电源转换
- 机顶盒
- FPGA电源和STB电源
- DVD和HDD驱动器
- LCD平板、TV电源
- 电缆调制解调器
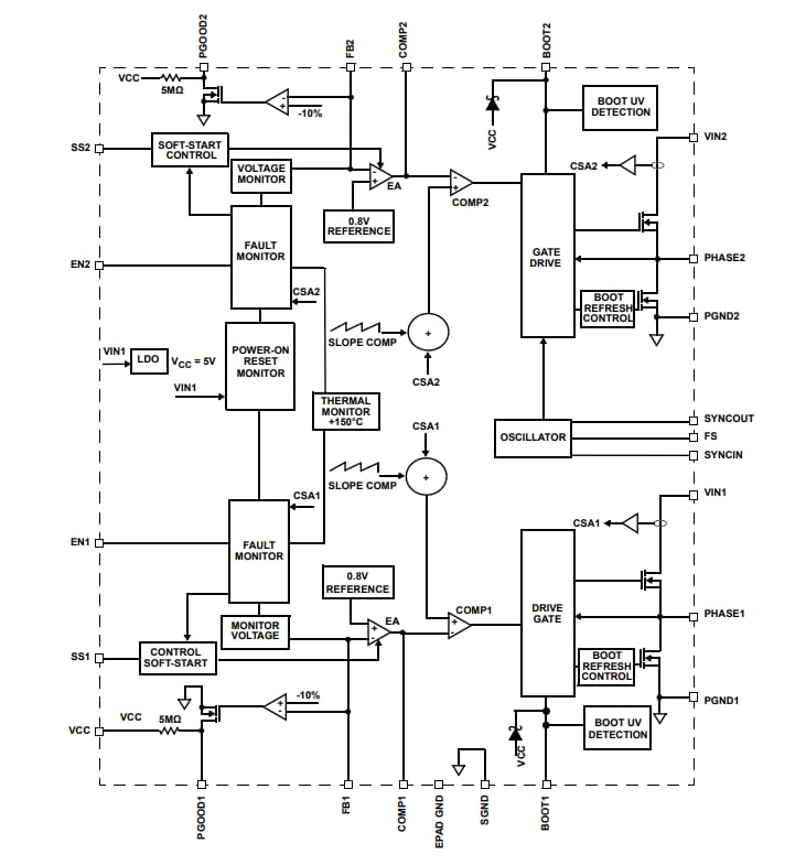
框图
发布日期: 2020-07-10
| 更新日期: 2022-10-24

