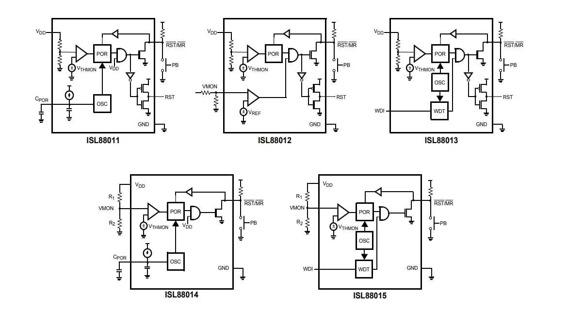
ISL88013的独特特性包括一个具有51s启动超时和1.6s正常超时持续时间的看门狗定时器。ISL88011和ISL88014支持通过在CPOR引脚上添加一个外部电容器来增加标称的200ms上电复位超时延迟。ISL88011和ISL88013器件提供互补的低电平有效和高电平有效复位输出。所有ISL8801x 5 Ld电压监控器均具有手动复位功能。ISL88014具有用户可调的电压输入,可对低至0.6V的任何电压进行自定义监控。
ISL8801x 5 Ld电压监控器专门设计用于实现低功耗和高阈值精度。
特性
- 单/双路电压监控器
- 固定电压选项支持精确监控+2.5V、+3.0V、+3.3V和+5.0V电源
- 双路监控器具有一个固定电压输入,而另一路输入则可由用户调节至低至0.6V
- 可提供RST和RST输出
- 可调POR超时延迟选项
- 看门狗定时器,具有1.6s正常超时和51s启动超时持续时间
- 所有器件均支持手动复位输入
- 复位信号有效低至VDD = 1V
- 精确的±1.5%电压阈值
- 不受电源瞬态影响
- 超低供电电流:5.5µA
- 小型5 Ld SOT-23无铅封装
- 无铅(符合RoHS指令)
应用
- 过程控制系统
- 智能仪表
- 嵌入式控制系统
- 计算机系统
- 关键μP和μC电源监控
- 便携式/电池供电设备
- PDA和手持式PC设备
功能框图
发布日期: 2019-11-21
| 更新日期: 2023-09-26

