Renesas Electronics ISL9241降压-升压可配置电池充电器
Renesas Electronics ISL9241降压-升压可配置电池充电器支持窄电压直接充电 (NVDC) 和混合功率降压-升压(HPBB/旁路)充电。这些电池充电器可以通过固件控制在各种模式之间切换。ISL9241电池充电器还可通过控制器的固件支持旁路模式,允许适配器直接为系统供电。这些充电器仅通过NFET即可提供充电功能、系统总线调节及保护特性,适用于平板电脑、超级本和笔记本电脑平台。ISL9241充电器可从各种直流电源获取输入电源,包括传统的交流/直流充电器适配器、USB Type-C电源端口以及旅行适配器。这些器件可以安全地为最多带有4节锂离子电池的电池组充电。特性
- 采用所有NFET晶体管的降压-升压NVDC或混合功率(涡轮增压)充电器,用于2节、3节或4节锂离子电池
- 支持旁路模式,可将系统连接至适配器
- 自主充电选项(自动终止充电)
- 适配器电流和电池电流监控器 (AMON/BMON)
- PROCHOT#开漏输出,兼容IMVP
- 系统电源监控PSYS输出,与IMVP8/9兼容
- 内部8位ADC,用于监控关键参数
- USB-C PD快速角色互换支持和PPS支持
- 用于正向和反向操作 (OTG) 模式的独立补偿引脚
- 支持补充电源(Intel VMIN主动保护)
- 具有IC超低功耗状态的电池供电模式
- 通过NTC支持JEITA合规性
- 4x4 32 Ld TQFN封装
规范
- 输入电压范围:3.9V至23.4V(无死区)
- 系统/电池输入电压:3.9V至18.304V
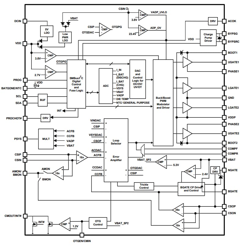
ISL9241框图
ISL9241应用电路图
发布日期: 2018-12-18
| 更新日期: 2023-02-15
