Renesas Electronics ISLACDC750WEVKIT1Z评估套件
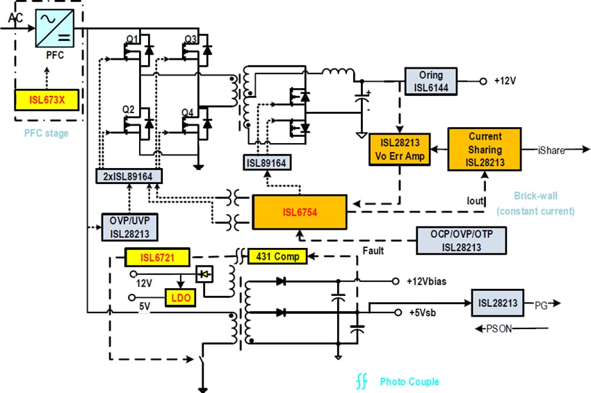
Renesas Electronics ISLACDC750WEVKIT1Z评估套件设计用于基于ISL6754 ZVS全桥PWM控制器、ISL6731A和ISL6731B功率因数校正控制器以及ISL6721单端电流模式PWM控制器,演示ATX PC电源应用。该转换器采用400V DC总线,可提供62.5A输出电流和12V输出电压,效率可达80%以上。该电路具有全面保护功能,如输入过压和欠压保护、输出过压、过流、过热和短路保护,因此可靠性极高。PSON引脚提供的连接可远程控制电路板, 电源良好 (PG) 引脚可指示电路的工作状态。该电路还可用于电池充电器。特性
- ISL6754 ZVS全桥PWM控制器
- ISL6731A或ISL6731B功率因数校正控制器
- ISL6721单端电流模式PWM控制器
- ISL28213毫微功耗运算放大器
- 均流
- ORing:热插拔
- 过压保护 (OVP)
- 过热保护 (OTP)
- 欠压保护 (UVP)
- 过流保护 (OCP)
- 短路保护
- 待机模式可关闭功率因数校正 (PFC) 和直流-直流
套件内容
- ISLACDC750W-MBEV1Z主板 (MB)
- ISL6731x-DB-1Z子板 (PFDB)
- ISL6721-DB-1Z子板 (BiasDB)
- ISL6754DBEVAL2Z子板 (ZVSDB)
测试设置
系统框图
PFC级框图
发布日期: 2018-07-05
| 更新日期: 2023-02-09
