Renesas R2A25110KSP智能功率器件集成IGBT栅极驱动电路、米勒钳位电路、软关断电路以及IGBT温度检测等多种保护电路。此外,R2A25110KSP支持驱动并联IGBT。
特性
- 片上微型隔离器(隔离电路)
- 高压隔离:2500VRMS
- 高共模抑制 (CMR):>35kV/us
- 高压隔离:2500VRMS
- 高输出栅极驱动电路
- 最大1.0Ω的栅极驱动输出电阻(支持IGBT并联连接)
- 片上有源米勒钳位功能
- 片上软关断功能
- 工作温度范围:-40°C至+125°C(最高结温为+150°C)
- 片上5V稳压器
- 各种片上保护电路
- 2个通道的IGBT发射极电流检测电路
- 过流检测(阈值电压:0.25V典型值)、短路检测(阈值电压:0.5V典型值)
- 可启用/禁用过流检测功能(SEL引脚)
- 两路IGBT温度检测电路
- 片上欠压锁定电路
- 4.1V典型值的VCC1(5V系统)
- 10V典型值的VCC2(15V系统)
- 片上过温保护电路(+200°C)
- 故障反馈,可通过外部电容器调整故障保持时间
应用
- 汽车应用中EV/HEV的主要逆变器
- 汽车应用中的EV/HEV转换器
- 用于工业仪器的逆变器和转换器
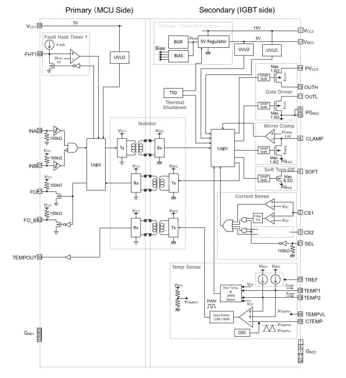
框图
发布日期: 2023-05-05
| 更新日期: 2023-06-20

