Renesas Electronics RAA271082电源管理IC (PMIC)
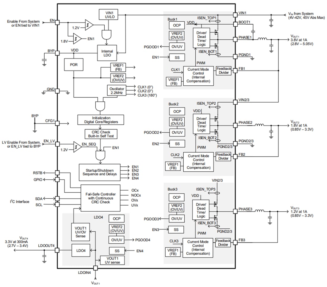
Renesas Electronics RAA271082电源管理IC (PMIC) 是一款多功能多轨电源IC,包括一次侧高压同步降压式稳压器、LDO稳压器和两个二次侧低压同步降压式稳压器。该Renesas PMIC提供四个欠电压与过电压监视器、通用I/O引脚、I2C通信,以及专用重置输出/故障指示器。RAA271082符合ASIL-B器件指标,设计采用了ASIL-D ISO 26262开发流程。RAA271082包括内置的上电自检、独立的OV/UV监控、OV/UV监控器第二禁带基准,以及对I2C通信和内部寄存器的连续CRC错误校验。RAA271082提供了一种高密度电源解决方案,需要极少电路板空间和极少外部元件。它提供各种功能集,使用内部一次性可编程 (OTP) 存储器进行配置。几乎所有器件选项,例如电源时序、各输出电压的选择以及OV/UV阈值,均无需外部元件即可选择,而且通过内部配置完成。其稳压器提供内部补偿。其降压转换器可在需要高环境温度的恶劣环境中工作,并采用同步设计以实现高效率。
Renesas Electronics RAA271082采用裸露焊盘设计,有效提升散热性能,采用4mm x 4mm 24引脚Step Cut QFN (SCQFN) 封装。该PMIC的环境工作温度范围为-40°C至+125°C,符合AEC-Q100 1级标准。该器件的额定结温范围为-40°C至+150°C。
特性
- ASIL-D ISO 26262开发流程
- VIN工作范围4.0V至42V,启动范围4.5V至42V
- 2.2MHz固定切换频率,可选伪随机扩频功能
- 三个同步降压稳压器(带内部补偿)和一个LDO
- 降压1输出范围:2.8V至5.05V,最大电流为1A
- 降压2/3输出范围:0.85V至3.3V,最大电流为1A
- LDO 4输出范围:2.7V至3.4V,最大电流为300mA
- OTP UV/OV阈值:±4%、±6%、±8%和±12%
- OTP上电/断电序列和延迟
- 降压2、降压3和LDO 4上的可选输出放电
- 可配置的GPIO引脚
- 双EN引脚
- 保护特性
- 输入电压UVLO
- 输出OV/UV
- 内部和输出LDO上的过流保护
- 过热关断
- 功能安全特性
- 上电时内置自检 (BIST)
- 双禁带/参考链
- 独立的UV/OV检测路径,用于降压1输出
- 可配置窗口看门狗定时器 (WWDT)
- OTP影子寄存器的连续CRC检查
- CRC保护的I2C通信
- 可配置的故障管理器
- 通过AEC-Q100认证,1级 [-40°C至+125°C (TJ = 150°C)]
应用
- 驾驶员监控摄像头
- 后视和环视高清汽车摄像头
- 用于电池管理系统的微控制器PMIC
- 用于区域和域控制器的微控制器PMIC
- 用于网关单元的微控制器PMIC
框图
发布日期: 2025-06-20
| 更新日期: 2025-06-23
