Renesas Electronics RAA306012三相智能栅极驱动器
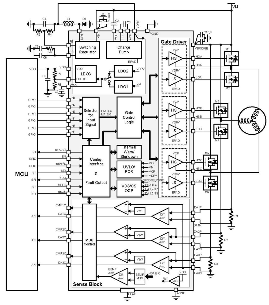
Renesas Electronics RAA306012三相智能栅极驱动器设计用于三相无刷直流电机用途。Renesas Electronics RAA306012集成了三个半桥栅极驱动器,能够驱动多达三个电压范围为6V至65V的N沟道MOSFET桥。每个驱动器支持0.64A峰值驱动拉电流和1.28A峰值驱动灌电流,通过驱动强度控制可调节。自适应死区时间增强了稳健性,防止米勒效应引起的交叉传导。该器件为内部电路、栅极驱动器集成了电源,并为外部微控制器集成了专用电源。此外,它还具有低功耗休眠模式,仅消耗28μA电流,在便携式应用中延长电池寿命。特性
- 工作电源电压
- VBRIDGE:6V至65V(绝对最大值78V)
- VM:6V至60V(绝对最大值65V)
- 环境工作温度范围:-40°C至125°C
- 三相栅极驱动器(用于BLDC应用)
- 开关频率范围上至200kHz
- 峰值0.64A/1.28A拉/灌电流,通过SPI接口可调节16种驱动强度
- 自适应、可调节死区时间
- 灵活配置,用于栅极驱动器
- 3相HI/LI模式和3相PWM模式
- 输入控制信号配置
- 支持半桥、全桥配置
- 完全集成的电源架构
- 两个VCC LDO支持具有低IQ的睡眠模式
- 500mA降压开关稳压器产生驱动电压(5V至15V可调)
- 100mA可调输出LDO,用于MCU电源
- 三个精确差分放大器
- 四级检测增益设置
- 支持上电和即时直流偏移校准
- 用于无传感器电机驱动的BEMF检测放大器
- 用于霍尔传感器电机驱动的三个比较器
- 集成保护特性
- VM过电压/欠电压闭锁 (VM_OV/UVLO)
- 电荷泵欠电压 (VCP_UV)
- 降压稳压器故障(VDRV_OV/UV,SR_OCP)
- MOSFET VDS OCP (VDS_OCP)
- 电流检测OCP (CS_OCP)
- MOSFET VGS故障 (VGS_FAULT)
- 过热警告/关断 (TWARN/OTSD)
- 故障指示器(nFAULT引脚)
- 7mm × 7mm 48引线QFN封装(0.5mm脚距)
应用
- 电动工具和园林工具
- 打印机
- 真空吸尘器
- 风扇
- 泵
- 机器人技术
视频
典型应用电路
发布日期: 2023-12-05
| 更新日期: 2024-02-07
