Renesas Electronics RAA489118降压-升压电池充电器

Renesas Electronics RAA489118降压-升压电池充电器是一款7S电池充电器,具有30V输入电压。RAA489118支持各种输入和输出电压,因此非常适合用于不同电压电池组以及各种PD适配器。RAA489118具有内置保护机制,防止过充电、过热和电压异常,有助于提高电池和设备的安全性和使用寿命。与Renesas Electronics RAA489400配合使用时,可实现电源与负载之间的双向功率传输。

特性

  • 降压-升压充电器,适用于电压高达30V的2至7电芯的电池
  • 输入电压范围:3.9V至30V(无死区)
  • 电池反向降压、升压和降压-升压操作
  • 自主充电选项(自动完成充电)
  • 正向直通模式
  • 适配器电流和电池电流监控器(AMON/BMON)
  • 4mm × 4mm 32引线TQFN封装
  • Renesas R3™技术可实现高效轻负载运行和快速瞬时响应。
  • SMBus接口,便于系统集成
  • 双向降压-升压操作非常适合用于USB-PD DRP应用
  • 可选BFET分离系统电压和电池电压

应用

  • 电动工具
  • 便携式真空吸尘器
  • 电池供电割草机
  • 无人机
  • 移动电源
  • 个人发电站
  • 2个电芯至7个电芯平板电脑
  • 超极本、笔记本电脑和任何需要电池的USB-C™接口便携式设备

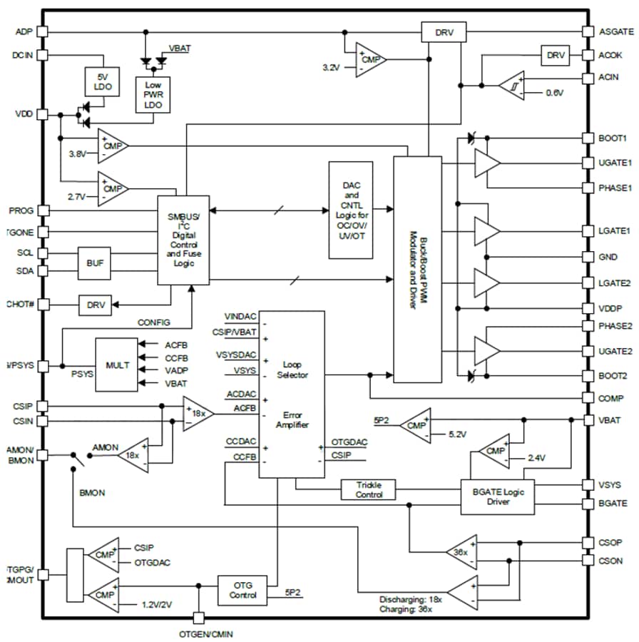
框图

框图 - Renesas Electronics RAA489118降压-升压电池充电器
发布日期: 2024-11-20 | 更新日期: 2026-01-06