Renesas RAA48930x通过减少热量产生和最大限度地减少切换过程中的功率损耗来实现卓越的热性能。这些设备降低了热应力,提高了系统可靠性,延长了产品寿命。此外,RAA48930x的散热需求更低,耗散的热量更少,从而可以采用更小的冷却解决方案,节省空间和成本。
RAA48930x控制器采用节省空间的紧凑型设计架构,减少了PCB的占位面积。该设备具有灵活的可扩展性,可以轻松适应各种功率水平和应用需求。增强型Renesas R3™技术采用飞电容电压平衡技术,可提供高效的电力输送和快速的瞬时响应。
特性
- 带有单个电感器的3级降压配置
- 内部电荷泵用于5V或10V栅极驱动器,带有EXT5V
- 顺流或逆流通过模式
- 在CV、CC、CL和CV之间实现平滑过渡
- 用于数字遥测的集成8位ADC
- 基于硬件的输入和输出电流监控器
- 4 x 4 32引线TQFN封装
应用
- 电动工具
- 便携式吸尘器
- 割草机
- 对接站
- 工业领域
- 消费电子产品
- 多端口USB-PD充电器
- 便携式电源解决方案
- PC对接站
- 机器人和无人机
效率曲线
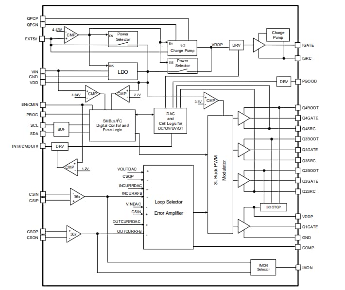
框图
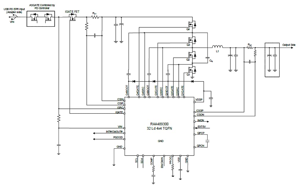
RAA489300典型应用
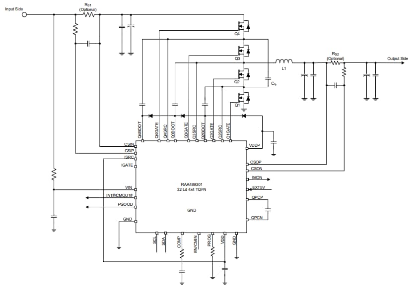
RAA489301典型应用
发布日期: 2025-07-08
| 更新日期: 2026-01-07

