特性
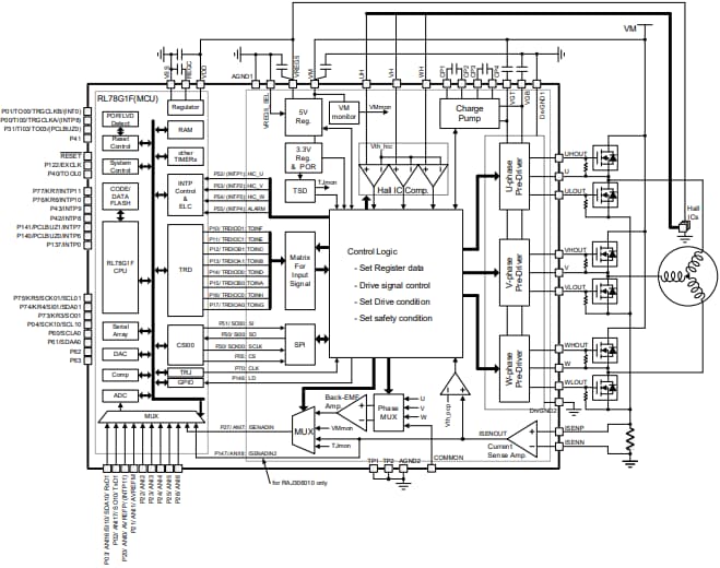
- RAJ306001 的产品评估板
- 工作电源电压:6V至30V
- 工作温度范围:RAJ306001 TA=-40°C至+85°C
- RAJ306001Z TA=-40°C至+105°C
- 低功耗VM电流(不含5V/7V稳压器与电荷泵):[MCU模块]:+5.2mA(HS模式:fIH=32MHz,VDD=5V)[预驱动器模块]:+13.5mA [VM=22.5V] VM待机电流:64µA(典型值)
- 16位CISC CPU (RL78/G1F) CPU
- 64KB,数据闪存4KB,RAM:5.52KB闪存ROM
- 2通道、SPI、2通道、IIc、2通道,UART:1通道GSI
- TimersTimer阵列单元:1个单元 – 16位,4通道
- 用于电机控制的定时器RD – 16位、2通道
- 具有编码功能的定时器RG – 16位、1通道
- 64MHz电机控制输入捕获定时器(定时器RX)
- 10位分辨率交流/直流转换器:9通道
- GPIO:28通道,输入端口:2通道
- 内置5V稳压器
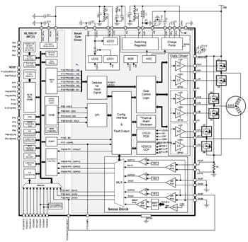
- RAJ306102 的产品评估板
- 工作电源电压范围
- VBRIDGE:6V至65V(最大值78V)
- 最大电压 (VM):6V至60V(65V绝对最大值)
- 环境工作温度范围:-40°C至105°C
- 电源电流
- MCU、VDD电流
- HS模式,fIH=32MHz:5.2mA
- 智能栅极驱动器
- 工作模式:2mA,睡眠模式:28μA
- MCU、VDD电流
- 扩展保护功能
- 16位CISC CPU
- 64KB, 数据闪存:4KB,RAM:5.5KB
- 串行阵列单元:2个单元(CSI:2通道、UART:1通道、I2C:2通道)
- GPIO:29通道 - I/O:27通道,输入:2通道
- 定时器阵列单元:1个单元 - 16位、4通道
- 10位分辨率A/D转换器输入:11通道
- 外部中断输入:10通道
- 工作电源电压范围
应用
- 无绳电动工具
- 室外电源设备
- 真空吸尘器
- 风扇
- 泵
- 机器人
- 医疗设备
发布日期: 2023-12-05
| 更新日期: 2024-01-25

