Renesas RC192xxA PCIe Gen5/6时钟缓冲器和多路复用器采用小型封装,具有扩展工作温度范围。
特性
- 低附加相位抖动
- PCIe Gen5:7fs RMS附加相位抖动
- PCIe Gen6:4fs RMS附加相位抖动
- 最大输入-输出传播延迟:1.7ns
- 掉电容限 (PDT) 输入和灵活电源排序 (FPS)
- 自动时钟停车 (ACP)
- 2:N或 (1:N/2) x 2多路复用选项
- 4线边带接口
- 9个可选SMBus地址
- SMBus写保护
- 通过引脚搭接设置实现85Ω或100Ω输出阻抗
- 工作温度范围:-40°C至+105°C,3.3V±10%保护
应用
- 云/高性能计算
- nVME存储
- 网络
- 加速器
- 计算
- Industrial7
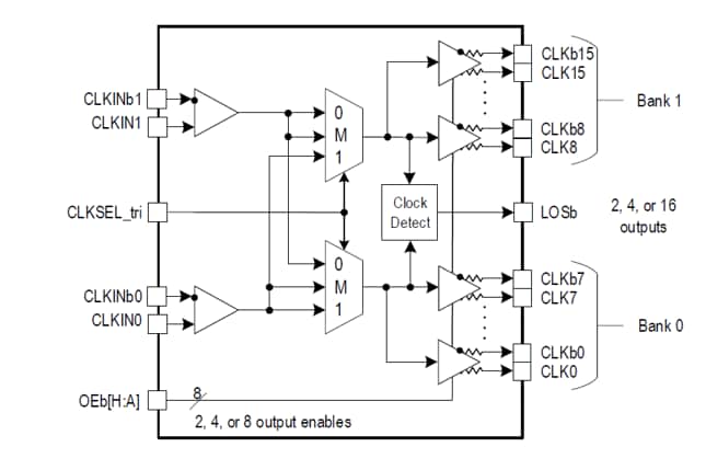
框图
发布日期: 2022-01-24
| 更新日期: 2022-03-11

