Renesas Electronics RC22504A和RC32504A FemtoClock® 2合成器
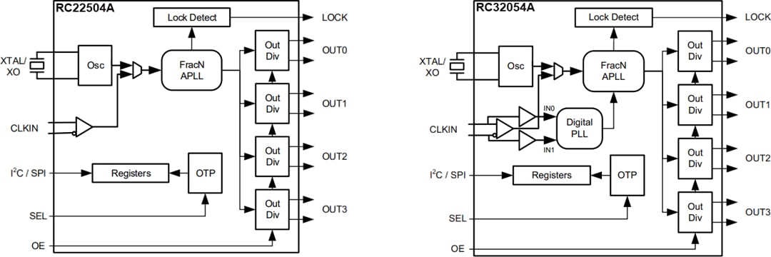
Renesas Electronics RC22504A和RC32504A FemtoClock® 2合成器设计用于放在PHY、开关、ASIC或FPGA旁边(需要几个基准时钟,抖动性能低于100fs(最大值))。RC22504A用作频率合成器在本地生成参考时钟,也可用作DCO实现频率裕度调节或OTN时钟应用。RC22504A可用作频率合成器在本地生成参考时钟,或用作抖动衰减器对集中供电参考进行本地清理和/或频率转换,或用作同步以太网设备时钟对网络供电参考进行通频带滤波和清理,还可用作DCO实现频率裕度调节或OTN时钟应用。这些器件属于Renesas的高性能FemtoClock2系列。Renesas Electronics RC22504A与RC32504A FemtoClock 2合成器采用四方扁平无引线 (QFN) 封装,其焊盘具有改进的散热性能。
特性
- RC32504A
- 抖动低于100fs RMS (10kHz至20MHz)
- 符合ITU-T G.8262标准中关于同步以太网/OTN (EEC/OEC) 以及ITU-T G.8262.1标准中关于增强同步以太网/OTN
(eEEC/eOEC) 的要求 - PLL内核由可选择通过数字PLL (DPLL) 操控的分数反馈模拟PLL (APLL) 组成。
- 在25MHz至80MHz晶体或XO下工作
- APLL频率与输入/晶体频率无关
- 可用作频率合成器、抖动衰减器、同步设备从时钟或数控振荡器 (DCO)
- DPLL环路滤波器的可设定频率范围:0.1Hz至12kHz
- DCO具有<1ppt的调谐粒度
- 可编程输入缓冲器支持HCSL、LVDS或两个LVCMOS,无需外部端接
- 输入频率:1MHz至800MHz(LVCMOS为250MHZ)
- 参考监视器符合/不符合输入 时钟要求
- 可编程状态输出
- 4路差分/8路LVCMOS输出
- 10MHz至1GHz之间的任何频率(LVCMOS为180MHZ)
- 可编程输出缓冲器支持HCSL(直流耦合)、LVDS/LVPECL/CML(交流耦合)或两个LVCMOS
- 差分输出摆幅可在400mV至800mV范围内选择
- 具有可编程效果的输出使能输入
- 支持高达1MHz I2C或高达20MHz SPI串行处理器端口
- 可通过具有多达四种不同配置的内部客户可定义一次性可编程 (OTP) 存储器在重置后自动配置
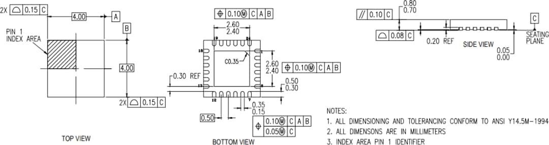
- 4mm x 4mm QFN-24封装
- RC22504A
- 抖动低至64fs RMS(最大值,10Hz至20MHz)
- PLL内核由小数反馈模拟PLL (APLL) 组成
- 在25MHz至80MHz晶体或XO下工作
- APLL频率与输入/晶体频率无关
- 用作频率合成器或数控振荡器 (DCO)
- DCO具有<1ppb调谐粒度
- 可编程状态输出
- 4个差分/8个LVCMOS输出
- 10MHz至1GHz之间的任何频率(LVCMOS为180MHZ)
- 可编程输出缓冲器支持HCSL(直流耦合)、LVDS/LVPECL/CML(交流耦合)或两个LVCMOS
- 差分输出摆幅可在400mV至800mV范围内选择
- 具有可编程效果的输出使能输入
- 支持高达1MHz I2C或高达20MHz SPI串行处理器端口
- 可通过具有多达四
种不同配置的内部客户可定义一次性可编程 (OTP) 存储器在重置后自动配置 - 4mm x 4mm QFN-24封装
应用
- RC32504A
- 同步以太网/OTN设备
- 参考时钟发生器,用于100Gbps/400Gbps PHY或开关
- 可调OTN时钟参考,用于OTU3/OTU4绘图仪
- 参考时钟,用于可编程光纤模块
- RC22504A
- 参考时钟发生器,用于100Gbps/400Gbps PHY或开关
- 可调OTN时钟参考,用于OTU3/OTU4绘图仪
- 参考时钟,用于可编程光纤模块
数据手册
框图
封装外形
发布日期: 2021-04-26
| 更新日期: 2022-03-11
