特性
- 25ns(最大值) PDD
- 环境工作温度范围:125°C(最大值)
- 输出类型
- 高电平有效 (RV1S9x61A)
- 低电平有效 (RV1S9x62A)
- 高噪声抑制 (CMR) :100kV/us(最小值)
- 封装系列
- SO5 – 4.2mm爬电距离
- LSO5 – 8mm爬电距离
- LSSO5 – 8.2mm爬电距离
应用
- 电机控制,用于工业自动化
- AC伺服
- NC伺服
- 机器人控制器
- 逆变器
- 太阳能逆变器
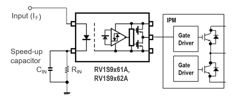
功能图
发布日期: 2022-06-07
| 更新日期: 2022-07-01

