Renesas Electronics SLG47011 GreenPAK可编程混合信号矩阵
Renesas Electronics SLG47011 GreenPAK可编程混合信号矩阵提供了一种体积小、功耗低的解决方案,适用于常用模数转换和混合信号功能。与可配置逻辑结合使用的灵活数据采集系统提供了一种以最低成本实现各种功能的方法。用户可通过对一次性可编程 (OTP) 非易失性存储器 (NVM) 进行编程来配置互连逻辑 、宏蜂窝和IO引脚,从而创建电路设计。Renesas SLG47011非常适合用于消费类电子产品、手持/便携式电子设备、工业自动化/控制、个人电脑/服务器、PC外设、电池电压/电流监控和电源监控。特性
- SAR 模数转换器(ADC)
- 可选择14位、12位、10位和8位分辨率
- 8位模式下最高达2.35Msps
- 采样高达4个模拟通道
- 并行、I2C和SPI输出选项
- 可编程增益放大器
- 1x至64x增益选择
- 差分、单端模式
- MathCore - 乘法器、加法器、减法器和移位器选项
- 4个独立数据缓冲器
- 缓冲器长度可达8x 16位字
- 过采样模式(提高ADC分辨率)
- 移动平均模式
- 计数器捕获模式
- 4096字x12位存储表宏蜂窝
- 全范围模式或双范围模式
- ADC数据线性化或任何y=F(x)功能
- ADDR转DATA/存储器模式
- 16位多通道数字比较器 (MDCMP)
- 采样高达4个独立通道
- 静态或动态阈值
- 每个通道的迟滞选项
- 脉宽调制 (PWM) 宏蜂窝
- 12位分辨率
- 动态占空因数变化(最大可达4096占空因数值)
- 宽度转换器宏蜂窝
- 12位并行数据输出
- 可选12x 1位、6x 2位或3x 4位输出
- 12位333ksps数/模转换器 (DAC)
- 可选择电流源
- 集成电压基准(VREF)
- 高速模拟比较器,具有可配置的迟滞和基准
- 18x组合功能宏蜂窝
- 2x 2位LUT或DFF/闩锁宏蜂窝
- 8x 3位LUT或DFF/闩锁,具有设置/重置功能
- 6x可选择DFF/闩锁或3位LUT或移位寄存器
- 2个4位LUT或DFF/闩锁,带设置/重置宏蜂窝
- 14个多功能宏蜂窝
- 10个可选DFF/闩锁或3位LUT+12位延迟/计数器
- 2个可选DFF/闩锁或4位LUT+16位延迟/计数器/FSM
- 1个可选DFF/闩锁或3位LUT+12位延迟/计数器/FSM
- 12位存储器控制上下计数器
- SPI和I2C通信接口
- 可编程延迟,边缘探测器输出
- 去抖动滤波器或边缘探测器
- 2个振荡器 (OSC)
- 2kHz/10kHz振荡器
- 20MHz/40MHz振荡器
- 模拟温度传感器
- 带CRC的上电复位 (POR)
- 回读保护(读锁定)
- 电源电压:1.71 V至3.6 V
- 工作温度范围
- -40 °C至+85 °C (SLG47011V)
- -40 °C至+105 °C (SLG47011-EV)
- 16引脚STQFN封装,2.0mm x 2.0mm x 0.55mm,0.4mm间距
- 无卤素及符合 符合 RoHS 规定
应用
- 消费类电子产品
- 手持和便携式电子设备
- 工业自动化和过程控制
- 个人计算机和服务器
- 计算机外设
- 电池电压和电流监控
- 电源监视器
数据手册
- SLG47011-E - GreenPAK可编程混合信号矩阵具有模/数转换数据采集系统和扩展温度范围
- SLG47011 - GreenPAK可编程混合信号矩阵具有模/数数据采集系统
视频
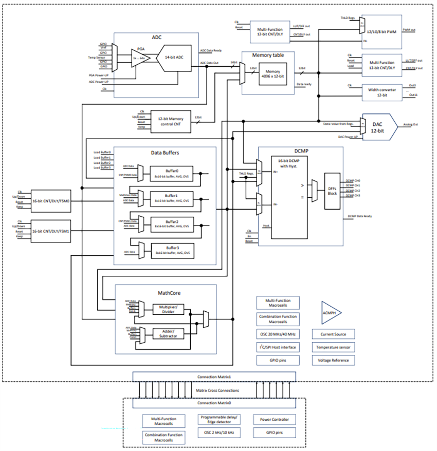
方框图
模拟/数字模块组合结构
发布日期: 2025-09-02
| 更新日期: 2025-12-30
