ROHM Semiconductor BD16951EFV-M双通道半桥栅极驱动器
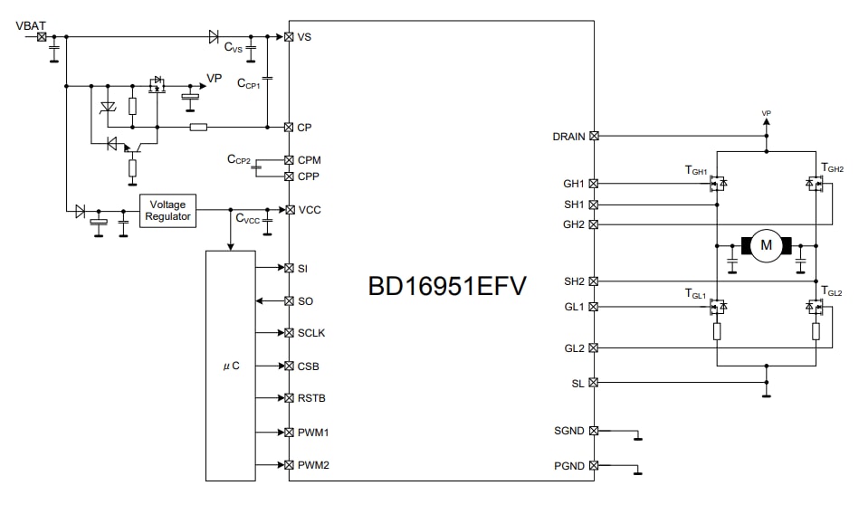
ROHM Semiconductor BD16951EFV-M双通道半桥栅极驱动器由外部MCU通过16位串行外设接口(SPI)控制。低侧和高侧N-MOSFET的独立控制支持微控制器控制模式。该驱动器包括四个 外部MOSFET,可独立控制。BD16951EFV-M驱动器具备最高7MHz的SPI时钟频率、500kHz的电荷泵振荡频率,以及0.25μs至92μs的交叉电流保护时间范围。此栅极驱动器已通过AEC-Q100认证。BD16951EFV-M驱动器适用于电动车窗升降器、天窗模块、雨刮器、安全带预紧器和座椅调节等应用。特性
- 双通道半桥栅极驱动器
- 16位SPI
- 4个外部MOSFET独立控制
- 半桥控制模式由SPI选择
- 压摆率通过恒定的拉/灌电流进行控制
- 半桥栅极驱动电压:11V(典型值)
- 500kHz振荡,用于电荷泵
- 0μA典型值与静态电源电流
- 最大SPI时钟:7MHz
- 交叉电流保护时间范围:0.25μs至92μs
- 采用HTSSOP-B24封装,尺寸为7.8mm×7.6mm×1mm
- 符合 AEC-Q100
应用
- 电动车窗升降器
- 太阳车顶模块
- 刮刷片
- 安全带张紧器
- 座椅调节
应用电路图
发布日期: 2025-05-16
| 更新日期: 2025-06-26
