特性
- 符合AEC-Q100标准(1级)
- 轨到轨电流检测放大器
- PWM调光信号发生器
- 过压保护 (OVP)
- 短路保护 (SCP)
- 模拟调光(两套系统)
- DRL模式(100%占空比)使能
- 输出异常LED状态 (FAULT_B)
- 扩频调频开/关 (SSFM_B)
规范
- 工作温度范围:-40°C 至125°C
- 输入电压范围:5V至65V
- LED电流检测电压精度:±3%
- 最大输出电压:65V
- 频率开关范围:200kHz至2.5MHz
应用
- 汽车外灯:
- 尾灯、转向灯、DRL/位置灯、雾灯、远光灯和近光灯
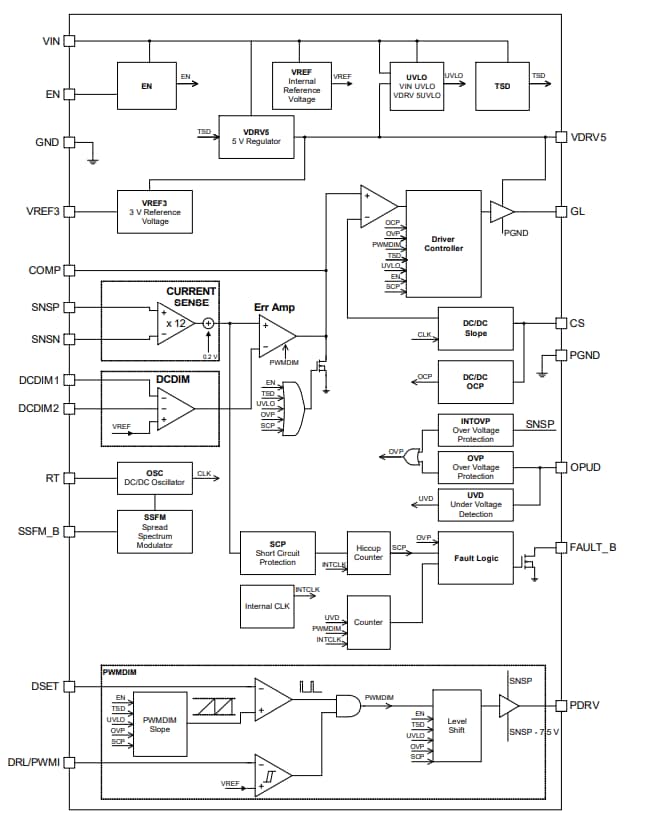
框图
应用电路图
其他资源
发布日期: 2021-03-23
| 更新日期: 2022-03-11
