特性
- BD62012BFS
- 150°换向逻辑
- PWM控制(上臂开关)
- BD62018BFS
- 180°正弦波换向逻辑
- PWM控制(上臂和下臂开关)
- 支持0°至+30°(间隔1°)相位控制
- 旋转方向开关
- FG信号输出带脉冲编号开关(4或12)
- VREG输出(5V/30mA)
- 提供OCP、TSD、UVLO、MLP和外部故障输入保护电路
应用
- 空调
- 空气净化器
- 水泵
- 洗碗机
- 洗衣机
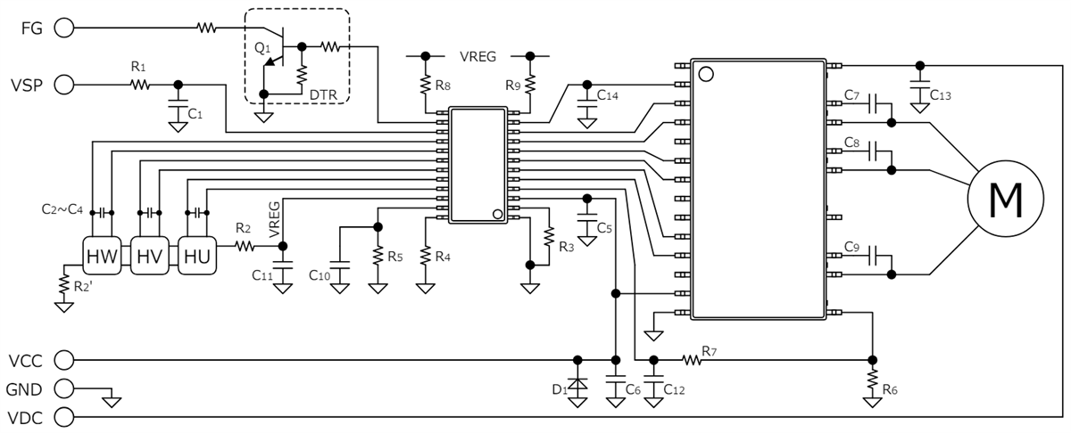
典型应用电路
框图
发布日期: 2024-05-30
| 更新日期: 2024-06-06
