特性
- MUS-IC系列
- 信噪比130dB(典型值),THD+N -115dB(典型值)
- 采样频率:32kHz至1536kHz
- DSD 2.8MHz、5.6MHz、11.2MHz和22.5MHz
- 支持立体声模式(2声道)、单声道模式(1声道)和hd(高清)单声道模式(1声道)
- 2个数字FIR滤波器类型
- 2个DWA算法类型
- 自动模式切换
- 支持多位ΔΣ数据输入
- 4个可选设备地址(38h/3Ah/3Ch/3Eh)
- HTQFP64BV 12.0 mm x 12.0 mm x 1.0 mm封装
应用
- 智能扬声器
- 高分辨率音频
- CD/SACD播放机
- 数字音频播放机 (DAP)
- USB-DAC和其他
规范
- AVCC 电源电压范围:4.5V至5.5V
- DVDD 电源电压范围:1.4V到1.6V
- DVDDIO 电源电压范围:3.0V到3.6V
- 130dB(典型)信噪比
- -115dB(典型)THD+N
- 130dB(典型)动态范围
- 工作温度范围:-40 °C至+85 °C
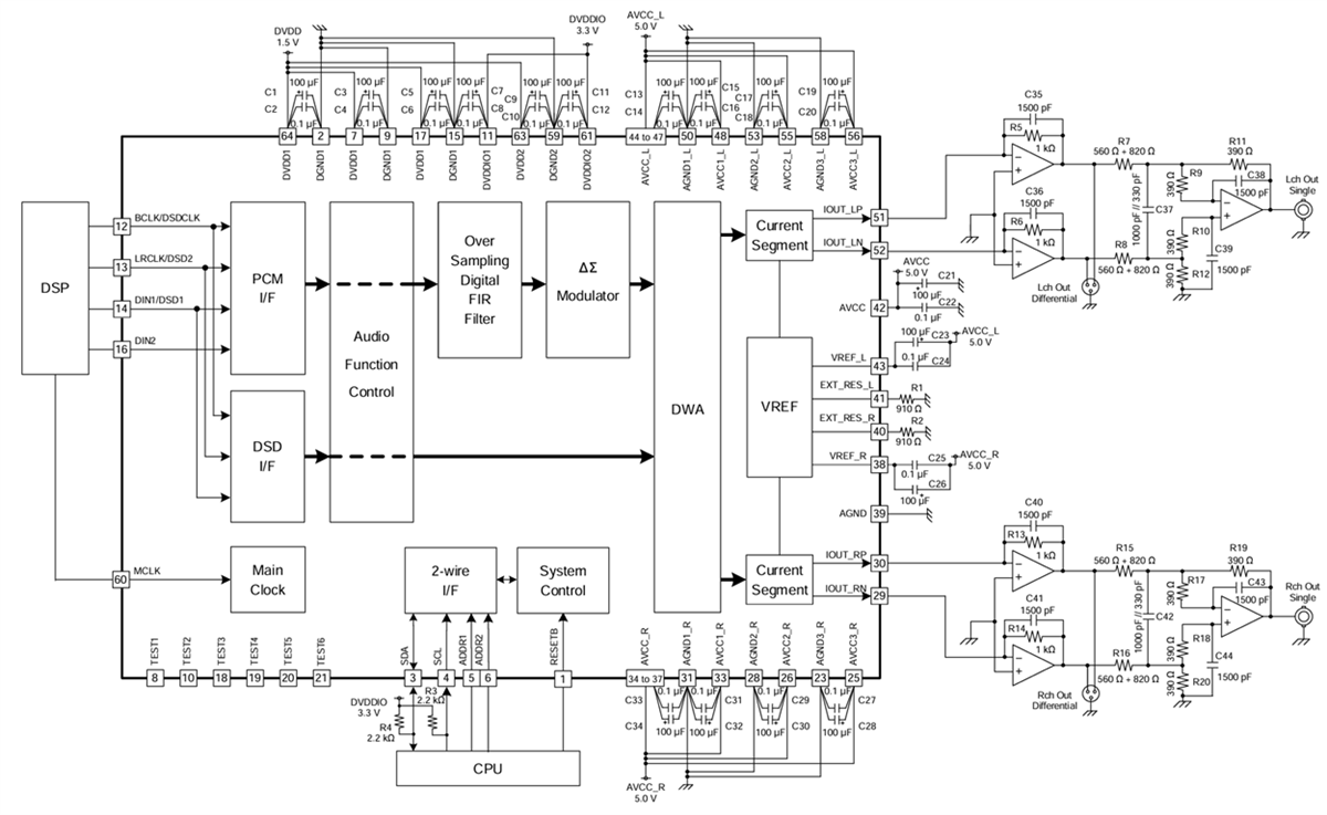
典型应用电路
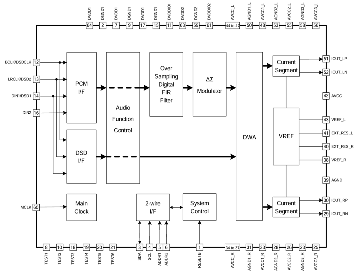
方框图
发布日期: 2025-01-06
| 更新日期: 2025-07-17
