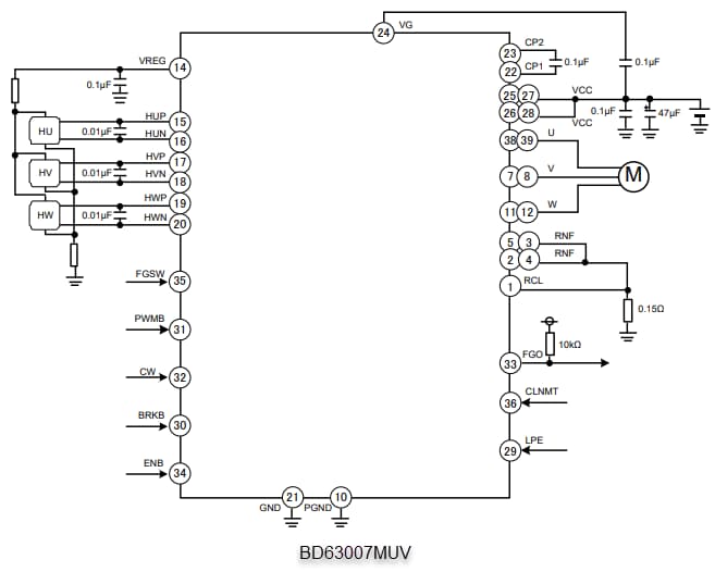
BD63007MUV驱动器采用120°换向逻辑电路,具有低导通电阻DMOS输出。该驱动器具有顺时针 (CW)/逆时针 (CCW) 功能和短制动功能。
BD63015EFV驱动器是一款正弦电机驱动器,使用输入直流电压信号控制旋转速度。该驱动器采用小型HTSSOP-B20封装,适合用于小直径电机模块。
特性
- BD63007MUV电机驱动器
- 内置120 °换向逻辑电路
- PWM控制模式(低侧臂开关)
- 内置节能电路
- CW/CCW功能
- 短制动功能
- FG输出(1FG/3FG转换)
- BD63015EFV电机驱动器
- 正弦驱动
- FG输出 (3FG)
- 内置霍尔错误保护电路 (HALLERR)
- 输入直流电压信号/功率电压控制转速
- 霍尔传感器生成PWM驱动信号
- 低导通电阻DMOS输出
- 内置电流限制电路 (CL)
- 内置热关断电路 (TSD)
- 内置过流保护电路 (OCP)
- 内置欠压闭锁电路 (UVLO)
- 内置过压闭锁电路 (OVLO)
- 内置电机锁定保护电路 (MLP)
应用
- BD63007MUV驱动器
- 办公自动化设备
- 消费类产品
- BD63015EFV驱动器
- 各种类型的空调风扇电机
- 不同类型的冷却器风扇电机
规范
- BD63007MUV驱动器
- 额定电源电压:33V
- 额定输出连续电流:3A
- 0.17Ω典型输出导通电阻(顶部和底部总计)
- 工作温度范围:-25 °C至+85 °C
- VQFN040V6060封装,尺寸为6 mm x 6 mm x 1 mm
- BD63015EFV驱动器
- 额定电源电压:36V
- 额定连续输出电流:1.5A
- 输出导通电阻:0.6 Ω(典型值)(顶部和底部总计)
- 工作温度范围:-40 °C至+105 °C
- HTSSOP-B20封装,尺寸为6.5 mm x 6.4 mm x 1 mm
发布日期: 2020-04-14
| 更新日期: 2024-09-26
