ROHM Semiconductor BD6787xMWV-Z无刷直流电机栅极驱动器
ROHM Semiconductor BD6787xMWV-Z无刷直流电机栅极驱动器设计用于三相无刷直流电机应用。ROHM Semiconductor的这些IC可驱动三个半桥,每个半桥由六个N沟道功率MOSFET组成,最高可达60V。BD67870MWV-Z具有6倍PWM模式,而BD67872MWV-Z具有3倍PWM模式。BD67871MWV-Z具有创新的主动栅极驱动器(TriC3™),可抑制EMI并减少电机驱动系统中使用的MOSFET功率器件发热。TriC3通过监测MOSFET功率器件周围的各种电压,并利用这些电压信息智能地控制MOSFET功率器件的栅极驱动器电流来实现这些功能。特性
- 宽输入电压范围:4.5 V至60 V
- 具备电流源电路的自举式栅极驱动器,可实现100%占空因数运行,并通过涓流充电泵实现高阻抗(HiZ)状态
- 热关断,输入VCC和栅极驱动器VREG UVLO保护
- 超低IVCCQ(睡眠模式时<>
- 可通过外部电阻器调节死区时间控制,范围为10ns至3000ns
- 6x (BD67870MWV-Z) 或3x (BD67872MWV-Z) PWM模式(输入逻辑)
应用
- 三相无刷DC机
- 永磁同步电机
- 电动工具
- 电动自行车、移动出行
规范
- 栅极驱动器强度(源)
- BD67870MWV-Z和BD67872MWV-Z:额定0.5A(典型值)
- BD67871MWV-Z:额定0.7A(典型值)
- VCC范围:4.5V至60V
- 栅极驱动器强度(灌电流):1A(典型值)
- UVLO检测电压VCC:3.8V(典型值)
- 最高结温:+150 °C
视频
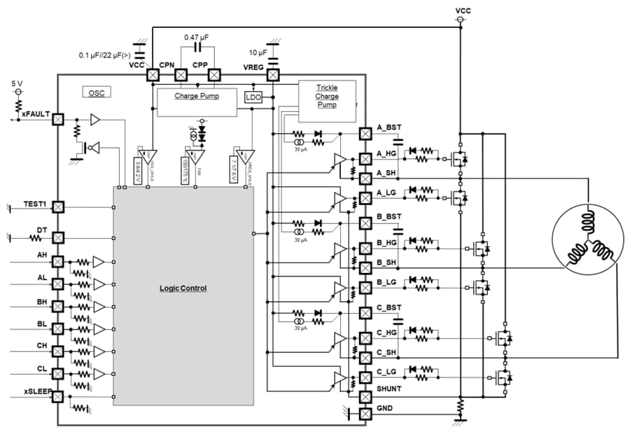
BD67870/BD67872 方框图
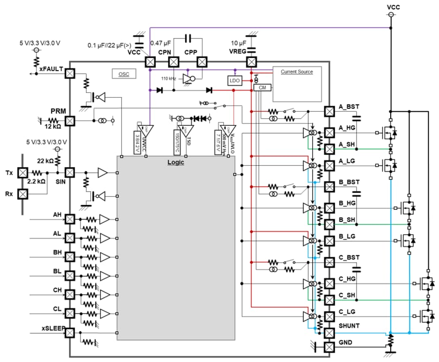
BD67871框图
发布日期: 2025-10-08
| 更新日期: 2026-01-19
