ROHM Semiconductor BD68960EKV-C步进电机驱动器
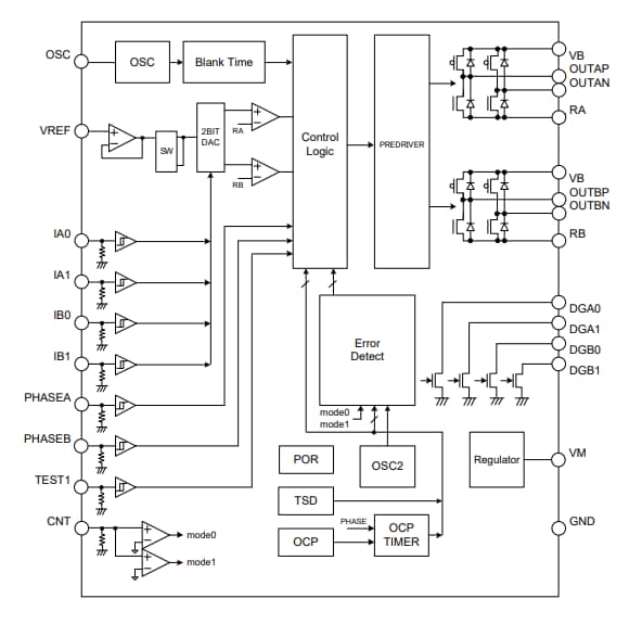
ROHM Semiconductor BD68960EKV-C步进电机驱动器是由PWM电流驱动的低功耗双极驱动器,额定电源电压为35V。 该电机驱动器符合AEC-Q100标准,具有PARA-IN驱动模式和1.8A额定输出电流。输入接口采用PARA-IN驱动模式,电流衰减模式为SLOW DECAY。BD68960EKV-C电机驱动器支持全步进、半步进(两种类型)以及四分步进功能,同时具备开路检测掩码时间选择功能。该电机驱动器采用超薄型高散热封装(外露METAL型),工作温度范围为-40°C至125°C。典型应用包括废气再循环(EGR)阀、打印机、监控摄像头、缝纫机和机器人。特性
- 符合 AEC-Q100
- 额定输出电流 (DC):1.8A
- 低导通电阻H桥输出
- PARA-IN驱动模式
- 内置噪声屏蔽功能(无需外部噪声滤波器)
- 全步进、半步进(两种类型)以及四分步进功能
- 开路检测掩码时间选择功能
- 电流限制掩码时间功能
- 内置逻辑输入下拉电阻器
- 上电复位 (POR) 电路
- 热关断 (TSD) 电路
- 过电流保护 (OCP) 电路
- 开路错误检测电路
- 诊断输出电路(开漏输出)
- 超薄高散热(裸露金属型)封装
应用
- 废气再循环 (EGR) 阀
- 打印机
- PPC
- 扫描仪
- 监控摄像头
- 缝纫机
- 机器人
规范
- 输入电压:35 V
- 输出电流:±1.8A/相
- 输出导通电阻:0.35Ω
- 工作温度范围:-40 °C至125 °C
方框图
典型应用电路
发布日期: 2025-07-22
| 更新日期: 2025-08-04
