ROHM Semiconductor BD83816EFV-M 16通道LED驱动器IC
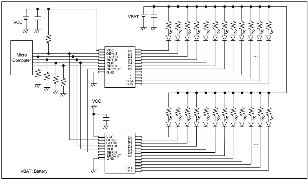
ROHM Semiconductor BD83816EFV-M 16通道LED驱动器IC是一款串行输入并联输出控制LED驱动器,具有35V额定输出电压。此符合AEC-Q100标准的LED驱动器,具有3线串行数据输入,用来打开/关闭16通道开漏输出。 BD83816EFV-M驱动器IC具有3V至5.5V输入电压范围、内部16通道功率晶体管和开漏输出,采用HTSSOP-B24封装。该器件支持级联连接,具有20V/µs输出斜率。BD83816EFV-M 16通道LED驱动器非常适合用于小空间,非常适合用于仪表板和汽车应用的指示灯。特性
- 符合AEC-Q100标准(1级)
- 开漏输出
- 3线制串行控制+使能信号
- 兼容级联连接
- HTSSOP-B24 封装
- 内部16通道功率晶体管
- 20V/μs输出斜率(典型值,实现低EMC噪声)
应用
- 各种仪表板的指示灯
- 汽车
框图
典型应用电路
发布日期: 2024-01-18
| 更新日期: 2024-04-30
