特性
- 内部FET异常检测功能,用于二次侧同步整流
- 内部过压检测电路 (OVP)(外部可调,高准确度:2%)
- 可调节FET关断阈值电压,提高了效率
- 各FET源可以被单独监控
- 内部待机模式自动确定功能
- 内部多用途比较器
- 通过慢启动功能,可以设置启动时和开关运行启动过程中的FET故障检测功能
- 宽输入电压范围:5V至32V
- 击穿电压(D1、D2引脚):120V(最大值)
- 流焊接兼容SOP14封装
应用
- 隔离式LLC型交流/直流电源
- 适配器、电视、打印机、办公设备等
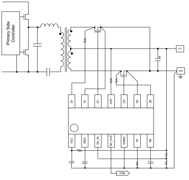
典型应用电路
发布日期: 2022-02-01
| 更新日期: 2022-03-11
