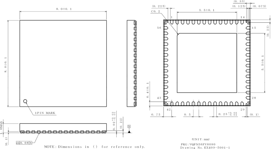
ROHM Semiconductor BD9573MUF-M车用PMIC采用VQFN56FV8080封装,带可湿性侧翼。该器件符合AEC-Q100标准,工作温度范围为-40°C至+105°C。
特性
- 符合AEC-Q100 2级标准
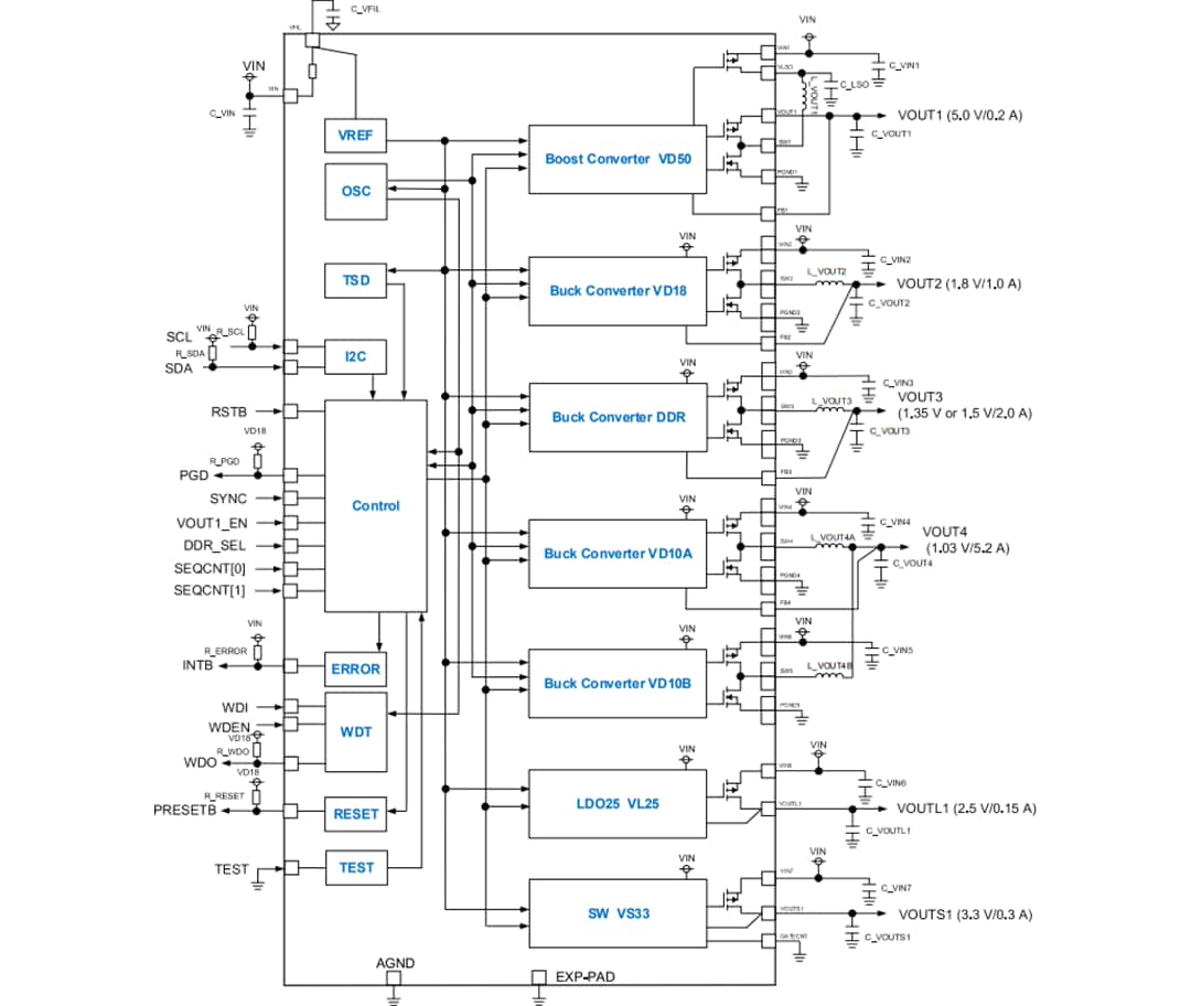
- R-car D3电源管理(*E3 ,如果Iout≦5.2A)
- 内置输出序列控制
- 支持DDR3L/DDR3内存
- 可定制上电和断电序列以及状态控制
- 带处理器接口和事件检测功能的功率控制逻辑
- 输入电压范围:3.0V至3.6V
- 输出电压精度:1.8%
- 开关频率:2.25MHz ±10%
- 内置反馈电阻/补偿电路/放电功能
- 内置电源良好(PGD端子)
- 内置窗口型看门狗定时器 (WDT)
- I2C控制,带内置状态寄存器
- 内置UVLO、SCP、OVP、UVP、OCP和TSD保护
- 调节序列时间(SEQCNT1、2)
- 支持EEPROM
- 工作温度范围:-40ºC至+105ºC
- 8.0mm x 8.0mm x 1.0mm VQFN56FV8080封装;0.5mm间距
应用
- 车载信息娱乐 (IVI) 系统
- 仪器组面板
框图
封装外形
发布日期: 2021-11-29
| 更新日期: 2022-03-11
