ROHM Semiconductor BD9P系列单通道2.2MHz降压DC-DC转换器

ROHM Semiconductor BD9P系列单通道2.2MHz降压直流-直流转换器是集成有功率MOSFET的电流模式同步降压直流/直流转换器。该系列转换器具有输入欠压闭锁 (UVLO)、热关断 (TSD)、输出过压和短路保护特性。BD9P1x-C系列降压直流-直流转换器提供可选的扩频开关和外部同步功能。这些直流-直流转换器的工作电源电压范围为3.5V至40V,温度范围为-40°C至+125°C。ROHM Semiconductor BD9P转换器适合用于汽车和消费类电源。

特性

  • Nano pulse control™
  • 符合 AEC-Q100
  • 极小的导通脉宽:50ns(最大值)
  • 集成功率MOSFET的同步降压直流/直流转换器
  • 软启动功能
  • 电流模式控制
  • 复位功能
  • 静态电流:10μA(典型值),12V输入至5V输出
  • 轻负载模式 (LLM)
  • 强制脉冲宽调制 (PWM) 模式
  • 含相位补偿
  • 可选引脚可选扩频
  • 外部同步功能
  • 可选过流保护 (OCP)
  • 输入欠压闭锁保护 (UVLO) 保护
  • 热关断 (TSD) 保护
  • 输出过压保护 (OVP)
  • 短路保护 (SCP)

规范

  • 电源电压范围:3.5V至40V
  • 工作温度范围:-40 °C至+125 °C
  • 开关频率:2.2MHz

应用

  • 汽车供电电源
  • 消费电子供电电源

应用

原理图 - ROHM Semiconductor BD9P系列单通道2.2MHz降压DC-DC转换器

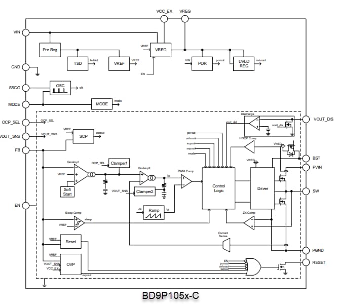
框图

应用电路图

引脚图表

视频

发布日期: 2021-01-04 | 更新日期: 2024-10-29