ROHM Semiconductor BDxxGA3WEFJ/BDxxGA3WNUX LDO稳压器
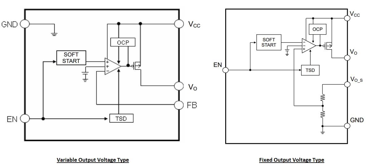
ROHM Semiconductor BDxxGA3WEFJ/BDxxGA3WNUX LDO稳压器 的输出电流为300mA。该稳压器具有 1%输出电压精度、零µ关断模式、内置过流保护 (OCP) 和内置热关断电路 (TSD)。这些BDxxGA3WEFJ/BDxxGA3WNUX LDO稳压器提供固定和可变输出电压器件。 可变输出电压器件可通过外部电阻器在1.5V至13V电压范围内调节。这些LDO稳压器还可提供各种不使用外部电阻器的固定输出电压器件。BDxxGA3WEFJ/BDxxGA3WNUX稳压器采用HTSOP-J8 (4.90mm x 6mm x 1mm) 和VSON008X2030 (2mm x 3mm x 0.60mm) 小型封装。这些LDO稳压器可搭配陶瓷电容器使用,从而实现更小布局和更长使用寿命。这些LDO稳压器可用于各种数字家电应用。±特性
- 输出电压精度:±1%
- 内置过流保护 (OCP)
- 内置热关断电路 (TSD)
- 关断模式:0 µA
规范
- 输入电源电压范围:4.5V至14V
- 输出电压范围:1.5V至13V(可变类型)
- 输出电压:1.5V/1.8V/2.5V/3V/3.3V/5V/6V/7V/8V/9V/10V/12V(固定类型)
- 最大输出电流:0.3A
- 工作温度范围:-25℃至85℃
- 封装:
- HTSOP-J8 (EFJ):4.90mm x 6mm x 1mm尺寸
- VSON008X2030 (NUX):2mm x 3mm x 0.60mm尺寸
框图
典型应用电路
View Results ( 23 ) Page
| 物料编号 | 数据表 | 输出电压 | 输出电流 | 输出类型 | Pd-功率耗散 | 输出端数量 | 安装风格 |
|---|---|---|---|---|---|---|---|
| BD50GA3WEFJ-E2 | ![]() |
5 V | 300 mA | Fixed | 2.11 W | 1 Output | SMD/SMT |
| BD60GA3WEFJ-E2 | ![]() |
6 V | 300 mA | Fixed | 2.11 W | 1 Output | SMD/SMT |
| BD00GA3WEFJ-E2 | ![]() |
300 mA | Adjustable | 2.11 W | 1 Output | SMD/SMT | |
| BD80GA3WNUX-TR | ![]() |
8 V | 300 mA | Fixed | 1.7 W | 1 Output | SMD/SMT |
| BD15GA3WNUX-TR | ![]() |
1.5 V | 300 mA | Fixed | 1.7 W | 1 Output | SMD/SMT |
| BD25GA3WNUX-TR | ![]() |
2.5 V | 300 mA | Fixed | 1.7 W | 1 Output | SMD/SMT |
| BD80GA3WEFJ-E2 | ![]() |
8 V | 300 mA | Fixed | 2.11 W | 1 Output | SMD/SMT |
| BD90GA3WNUX-TR | ![]() |
9 V | 300 mA | Fixed | 1.7 W | 1 Output | SMD/SMT |
| BD18GA3WNUX-TR | ![]() |
1.8 V | 300 mA | Fixed | 1.7 W | 1 Output | SMD/SMT |
| BD33GA3WEFJ-E2 | ![]() |
3.3 V | 300 mA | Fixed | 2.11 W | 1 Output | SMD/SMT |
发布日期: 2021-05-04
| 更新日期: 2022-03-11

