特性
- 为工业应用提供长期支持产品
- 准谐振系统
- 内置耐受650V电压的启动电路
- 轻负载/降频功能下突发工作
- 最大频率 120 kHz
- 交流输入电压校正电路
- VCC 引脚欠压保护
- VCC 引脚过压保护
- 每周期过流保护电路
- 输出驱动器12V钳位电路
- 功能软起动
- ZT引脚触发器屏蔽功能
- ZT引脚过压保护
- 输出过载保护(自动重启)
- CS引脚开路保护电路(自动重启)
规范
- 工作电源电压范围:
- 8.9V至26V VCC
- -0.3V至650V VH
- 开关操作时的典型电流:600 μA
- 突发工作时的典型电流:350 μA
- 工作温度范围:-40 °C至105 °C
- 尺寸:4.9 mm x 6 mm x 1.65 mm
- SOP-J7S 封装
应用
- 工业设备
- 空调
- 交流适配器
- TV
典型应用电路图
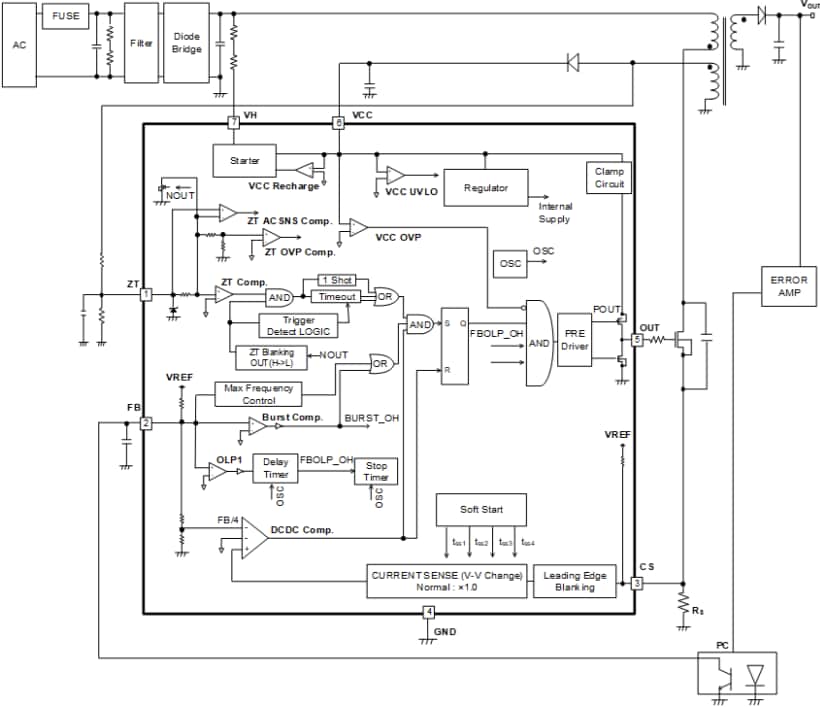
框图
应用原理图
发布日期: 2024-05-24
| 更新日期: 2024-06-12
