ROHM Semiconductor BM2P095F PWM型直流/直流转换器
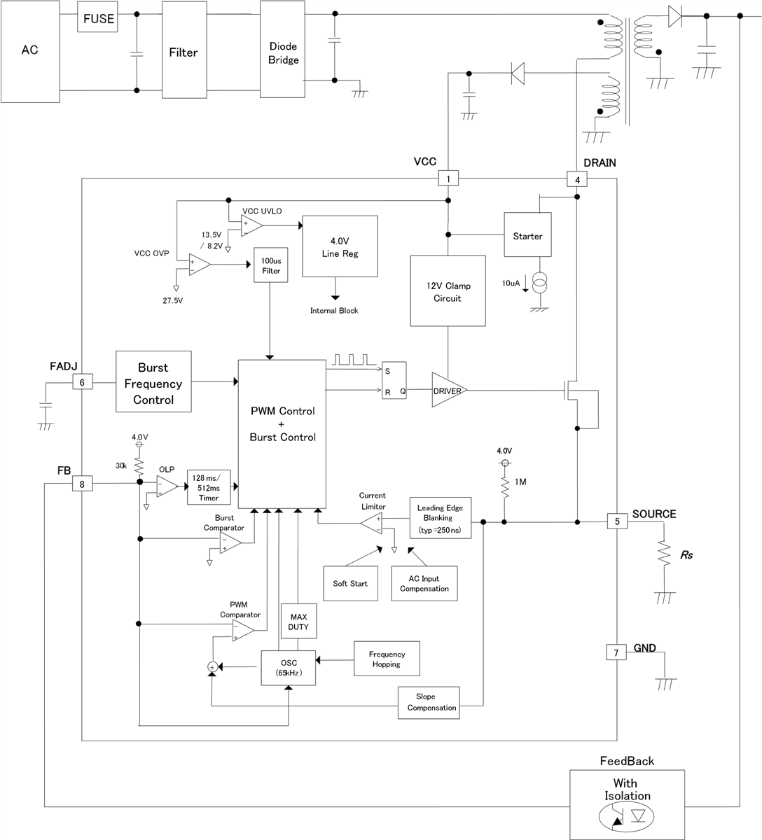
ROHM Semiconductor BM2P095F PWM型直流/直流转换器具有650V内置开关MOSFET和650V启动器电路,可实现低功耗。该转换器支持 隔离和非隔离器件,可简化各种类型的低功耗电气转换器的设计。BM2P095F转换器为所有包含电气插座的产品提供最佳系统 该转换器具有 开路保护、短路保护和逐周期过流保护电路、软启动和二次侧过流保护电路。BM2P095F转换器的工作温度范围为-40°C至105°C,正常电流为0.50mA,突发电流为0.30mA,振荡频率为65kHz。典型应用包括真空吸尘器、加湿器、空气吸尘器、空调、IH烹饪加热器和电饭锅。特性
- PWM电流模式控制
- 负载为轻时突发运行
- 降频功能
- VCC引脚欠压保护
- VCC引脚过压保护
- SOURCE引脚开路保护
- SOURCE引脚短路保护
- SOURCE引脚前沿消隐功能
- 逐周期过流保护电路
- 软启动
- 二次侧过流保护电路
规范
- 工作温度范围:-40°C至+105°C
- 正常工作电流:0.50mA
- 突发工作电流:0.30mA
- PWM频率:65kHz
- 功耗:0.56W
应用
- 家用电器:
- 真空吸尘器
- 加湿器
- 空气滤清器
- 空调
- IH烹饪加热器
- 电饭煲
- 交流适配器
应用电路
框图
发布日期: 2021-02-16
| 更新日期: 2022-03-11
