ROHM Semiconductor BM61S40RFV-EVK002评估板
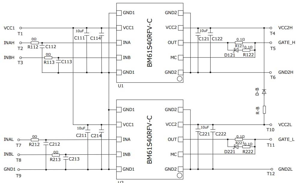
ROHM Semiconductor BM61S40RFV-EVK002评估板可驱动两个碳化硅功率器件,设计用于评估BM61S40RFV-C驱动器。BM61S40RFV-C IC是一款隔离电压为3750V
rms 的栅极驱动器。该IC具有欠压闭锁(UVLO)、有源米勒钳位和过压保护(OVP)功能。ROHM Semiconductor BM61S40RFV-EVK002评估板提供4.5V至5.5V输入侧电源和16V至20V输出侧电源电压。
特性
- 输入侧电源电压范围:4.5V至5.5V
- 输出侧电源电压:16V至20V
- 输出侧过压保护 (OVP) 功能
- 输入侧和输出侧欠压闭锁 (UVLO) 功能
- 有源米勒钳位,用于栅极控制
相关产品
Compact, robust, and reliable isolated gate drivers, optimized for use with SiC power MOSFETs.
设计用于轻松开发基于ROHM栅极驱动器的应用的演示板。
提供单通道电流隔离,隔离电压为3750Vrms ,输入/输出延迟时间为65 ns。
驱动SiC功率器件,提供有源米勒钳位,用于栅极控制。
发布日期: 2020-02-18
| 更新日期: 2024-09-24