ROHM Semiconductor BM61S41RFV-EVK002评估板
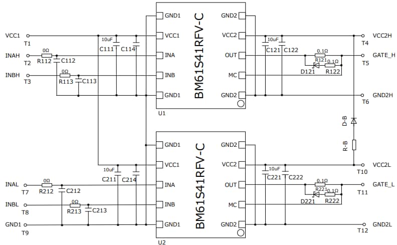
ROHM Semiconductor BM61S41RFV-EVK002评估板可驱动两个碳化硅功率器件,设计用于评估BM61S41RFV-C驱动器。BM61S41RFV-C IC是一款隔离电压为3750V
rms 的栅极驱动器。BM61S40RFV-C IC具有欠压闭锁 (UVLO) 和有源米勒钳位功能。ROHM Semiconductor BM61S41RFV-EVK002评估板可提供4.5V至5.5V输入侧电源和16V至24V输出侧电源电压。
特性
- 输入侧电源电压范围:4.5V至5.5V
- 输出侧电源电压:16V至24V
- 用于栅极控制的有源米勒钳位
相关产品
Compact, robust, and reliable isolated gate drivers, optimized for use with SiC power MOSFETs.
设计用于轻松开发基于ROHM栅极驱动器的应用的演示板。
提供单通道电流隔离,隔离电压为3750Vrms ,输入/输出延迟时间为65 ns。
驱动SiC功率器件,提供有源米勒钳位,用于栅极控制。
发布日期: 2020-02-18
| 更新日期: 2024-09-24