特性
- 提供的保护电路
- 过流保护(OCP)
- 热关断保护 (TSD)
- 欠压闭锁保护 (UVLO)
- 外部故障输入
- 采用内置PrestoMOSFET作为输出晶体管
- 通过浮动高侧驱动器(包括二极管)实现自举操作
- 开漏输出故障指示
规范
- 输出MOSFET电压:600V
- ±1.5A(最大值)驱动器直流输出电流
- 输出MOSFET直流导通电阻:2.7Ω(典型值)
- 180 °正弦驱动类型
- 结温(最高):+150 °C
- SSOP-A54_23封装,尺寸为22 mm x 14.1 mm x 2.4 mm
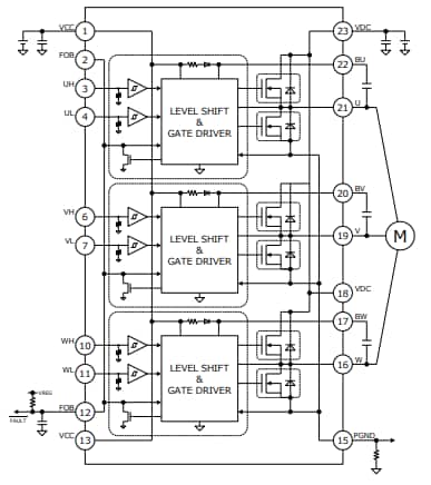
框图
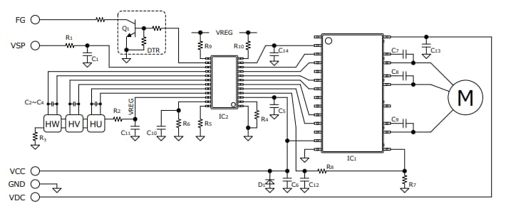
应用电路图
发布日期: 2020-04-14
| 更新日期: 2024-09-26
