特性
- 符合 AEC-Q100
- 替代同步降压直流/直流转换器或用于VDD 输出的LDO
- 同步升压直流/直流转换器,用于AVDD 输出,带集成负载开关
- 维康带7位校准器的放大器
- 正电荷泵,用于VGH 输出
- 用于VGL 输出的负电荷泵
- VGH和VCOM温度补偿
- 栅极脉冲调制(GPM)
- I2C接口输出电压设置控制功能(集成EEPROM)
- 开关频率开关功能
- 保护电路:
- 欠压锁定
- 热关断
- 过流保护
- 过压保护
- 欠压保护
规范
- 输入电压范围:2.6V - 5.5V
- 工作温度范围:-40°C至+105°C
- 待机电流:2 μA
- 输出电压范围:5V至17V AVDD
- VGH 输出电压范围:8V至35V
- 输出电压范围:4V至-14V VGL
- 输出电压范围:0.9V至3.4V VDD
- VCOM输出电流:200mA
- 开关频率:525KHz、1.05MHz和2.1MHz
应用
- TFT-LCD面板:
- 汽车导航
- 车载中央面板
- 仪器组
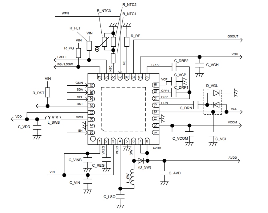
应用电路
发布日期: 2021-02-23
| 更新日期: 2024-02-08
