ROHM Semiconductor BM81810MUV-M PMIC采用VQFN32SV5050封装,符合汽车应用类AEC-Q100标准。
特性
- 符合AEC-Q100 2级标准
- 替代同步降压直流-直流转换器或LDO,用于VDD输出
- 同步升压直流-直流转换器,用于带集成负载开关的AVDD输出
- 输出电压精度:±2% AVDD
- VCOM放大器,带7位校准器
- 正电荷泵(集成二极管,x2/x3),用于VGH输出
- 负电荷泵,用于VGL输出
- VGH和VCOM温度补偿
- 栅极脉冲调制 (GPM)
- I2C接口输出电压设置控制功能,带集成EEPROM
- 开关频率开关功能 (525KHz、1.05MHz、2.1MHz)
- 保护电路
- 欠压锁定
- 热关断
- 过流保护
- 过压保护
- 欠压保护(定时器锁存类型)
- 输入容限(SCL、SDA、EN、WPN)
- 工作温度范围:-40°C至+105°C
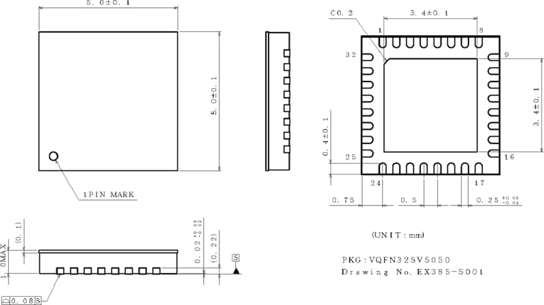
- 5.0mm x 5.0mm x 1.0mm VQFN32SV5050封装
应用
- 显示面板
- 汽车导航
- 车载中央面板
- 仪器组
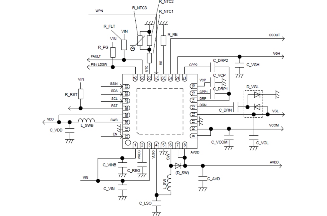
典型应用电路
封装外形
发布日期: 2021-03-15
| 更新日期: 2022-03-11
