ROHM Semiconductor RB-D62Q1325MB16电路板功耗低,是电池供电和节能设计的理想之选,而其实时处理能力则确保了时间敏感任务的快速响应时间。RB-D62Q1325MB16外形小巧,加上开发工具和软件支持,是工业控制、消费电子和汽车系统原型开发应用的绝佳解决方案。
应用
- 工业自动化
- 消费类电子产品
- 传感器网络
- 汽车系统
概述
电源电路
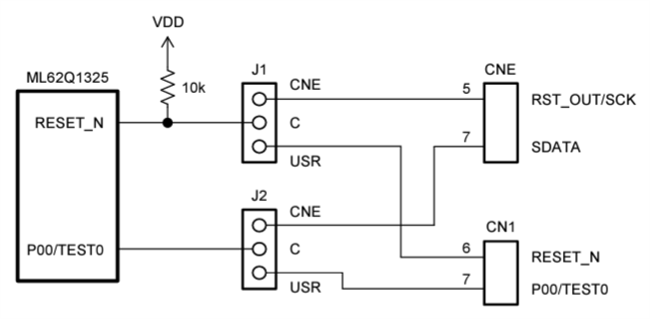
EASE1000接口
PCB布局
发布日期: 2024-12-23
| 更新日期: 2024-12-30
