ROHM Semiconductor RB-D62Q1542TB52板支持先进的开发工具,如LEXIDE-U16集成开发环境和 EASE1000 V2 片上仿真器,可实现无缝调试和编程。RB-D62Q1542TB52采用紧凑型52引脚薄型四方扁平封装,为开发人员提供了实用、高效的原型开发和推进创新嵌入式系统的解决方案。
应用
- 家用电器
- 工业自动化
- 消费类电子产品
- 医疗保健和医疗设备
- 物联网(IoT)和智能设备
- 汽车
- 嵌入式系统
概述
电源电路
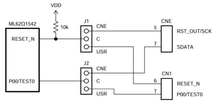
EASE1000接口
PCB布局
发布日期: 2024-12-27
| 更新日期: 2024-12-31
