ROHM Semiconductor RB-D62Q1712TB52板非常适合用于智能家居系统、工业自动化、物联网设备、汽车电子设备和便携式电子产品等应用。该器件具有高效率和紧凑的设计,因此是寻求打造可靠、低成本、高性能嵌入式解决方案开发人员的绝佳选择。
应用
- 智能家居系统
- 工业自动化
- 物联网(IoT)和无线连接
- 汽车电子设备
- 便携设备和电池供电设备
- 嵌入式系统
概述
电源电路
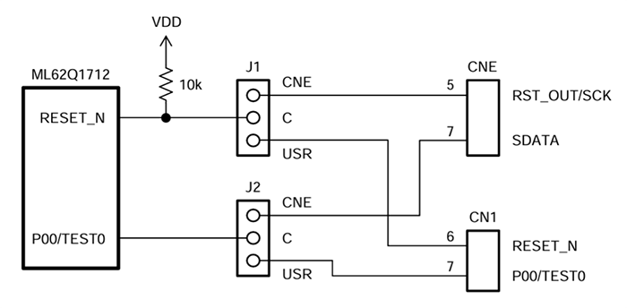
EASE1000接口
PCB布局
发布日期: 2024-12-27
| 更新日期: 2025-01-06
