借助ROHM LEXIDE-U16开发环境,开发人员可以轻松写入、调试和优化应用。RB-D62Q2502TB32是一款理想的工具,可帮助工程师设计智能家电、汽车系统、医疗设备等创新解决方案。
特性
- 配有LAPIS ML62Q2502 CMOS 16位RISC MCU,采用32引脚TQFP封装
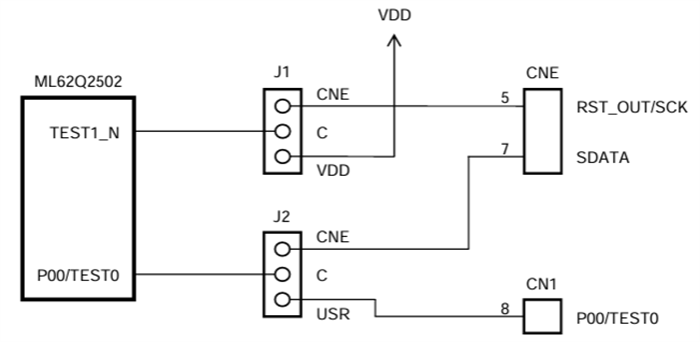
- 配备与 EASE1000 V2 连接的连接器
- 用于将LSI引脚连接到外部外设板的通孔
- 可选电源,支持通过片上仿真器EASE1000 V2或CN1_3pin供电
- 已安装32.768KHz晶体
- 已安装LED(P20、P21、P22)
- 可提供用于逐次逼近型A/D转换器的元件引脚布局(P30、P31、P32、P33)
- 低功耗
- 内部闪存和RAM
- 灵活的I/O和通信接口
- 实时处理
- 工作电源电压范围:1.8 V至5.5 V
- 紧凑外形尺寸:56mmx94mmx15mm(宽x深x高)
应用
- 家用电器
- 工业设备
- 汽车系统
- 医疗保健设备
- 消费类电子产品
- 物联网(IoT)和智能系统
概述
电源电路
EASE1000 V2接口
PCB布局
发布日期: 2024-12-30
| 更新日期: 2025-01-07
