ROHM Semiconductor RB-D62Q2522GD40参考板
ROHM Semiconductor RB-D62Q2522GD40参考板是一个强大的开发平台,采用LAPIS ML62Q2522 CMOS 16位RISC微控制器,专为各种嵌入式应用量身定制。该电路板功耗低、处理效率高并集成了外设,是车载充电器、电池管理系统和 DC-DC 转换器等汽车系统的理想之选。ROHM Semiconductor RB-D62Q2522GD40还支持用于工厂自动化/控制和消费电子产品的工业设备,这些设备需要智能化和节能设计。RB-D62Q2522GD40与罗姆的开发工具兼容,可简化原型设计、测试和优化,使工程师能够在汽车、工业和消费领域创建创新、可靠的解决方案。特性
- 提供LAPIS ML62Q2522 CMOS 16位 RISC MCU,40引脚WQFN
- 与链接的连接器一起安装到 EASE1000 V2
- 用于连接LSI引脚和外部外围电路板的通孔
- 可选电源,随片上仿真器EASE1000 V2或CN1_3pin提供
- 安装的32.768KHz晶体
- 安装的LED(P20、P21、P22)
- 提供带有逐次逼近型A/D转换器组件的脚踏模式(P30、P31、P32、P33)。
- 低功耗
- 内置闪存和RAM
- 灵活的输入/输出和通信接口
- 实时处理
- 工作电源电压范围:1.8 V至5.5 V
- 外形紧凑,尺寸为56mmx94mmx15mm(宽x深x高)
应用
- 消费类电子产品
- 工业设备
- 汽车系统
- 医疗设备
- 智能电器
概述
电源电路
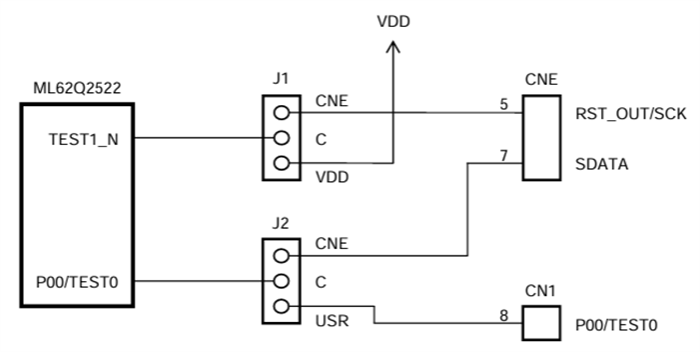
EASE1000 V2接口
PCB布局
发布日期: 2024-12-30
| 更新日期: 2025-01-07
