特性
- 提供LAPIS ML62Q2532 CMOS 16位RISC MCU,48引脚TQFP
- 与链接的连接器一起安装到 EASE1000 V2
- 用于连接LSI引脚和外部外围电路板的通孔
- 可选电源,随片上仿真器EASE1000 V2或CN1_3pin提供
- 安装的32.768KHz晶体
- 安装的LED(P20、P21、P22)
- 提供带有逐次逼近型A/D转换器组件的脚踏模式(P30、P31、P32、P33)。
- 低功耗
- 内置闪存和RAM
- 灵活的输入/输出和通信接口
- 实时处理
- 工作电源电压范围:1.8 V至5.5 V
- 外形紧凑,尺寸为56mmx94mmx15mm(宽x深x高)
应用
- 汽车系统
- 工业设备
- 消费类电子产品
概述
电源电路
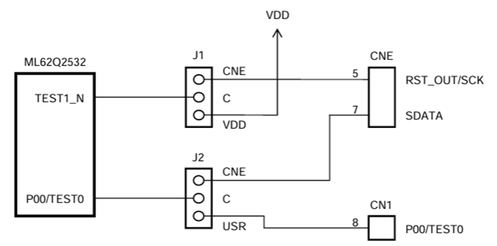
EASE1000 V2接口
PCB布局
发布日期: 2024-12-30
| 更新日期: 2025-01-07
